Informazioni su Counters
Applicazione educativa con problemi di circuiti sequenziali: contatori.
Contatori è un'applicazione educativa progettato per gli utenti che amano elettronica digitale, vale a dire i ragionieri. Offre il seguente:
- Contatori di tutorial educativi
- 14 metri esercizi forme diverse.
- Correzione dell'anno, indicando se giusto o sbagliato risolto.
- Test online per verificare la vostra conoscenza. Il test viene periodicamente modificata con nuove domande.
- Possibilità di salvare, caricare o condividere via mail i vostri soluzioni di allenamento.
- Menu Guida sul funzionamento dell'applicazione.
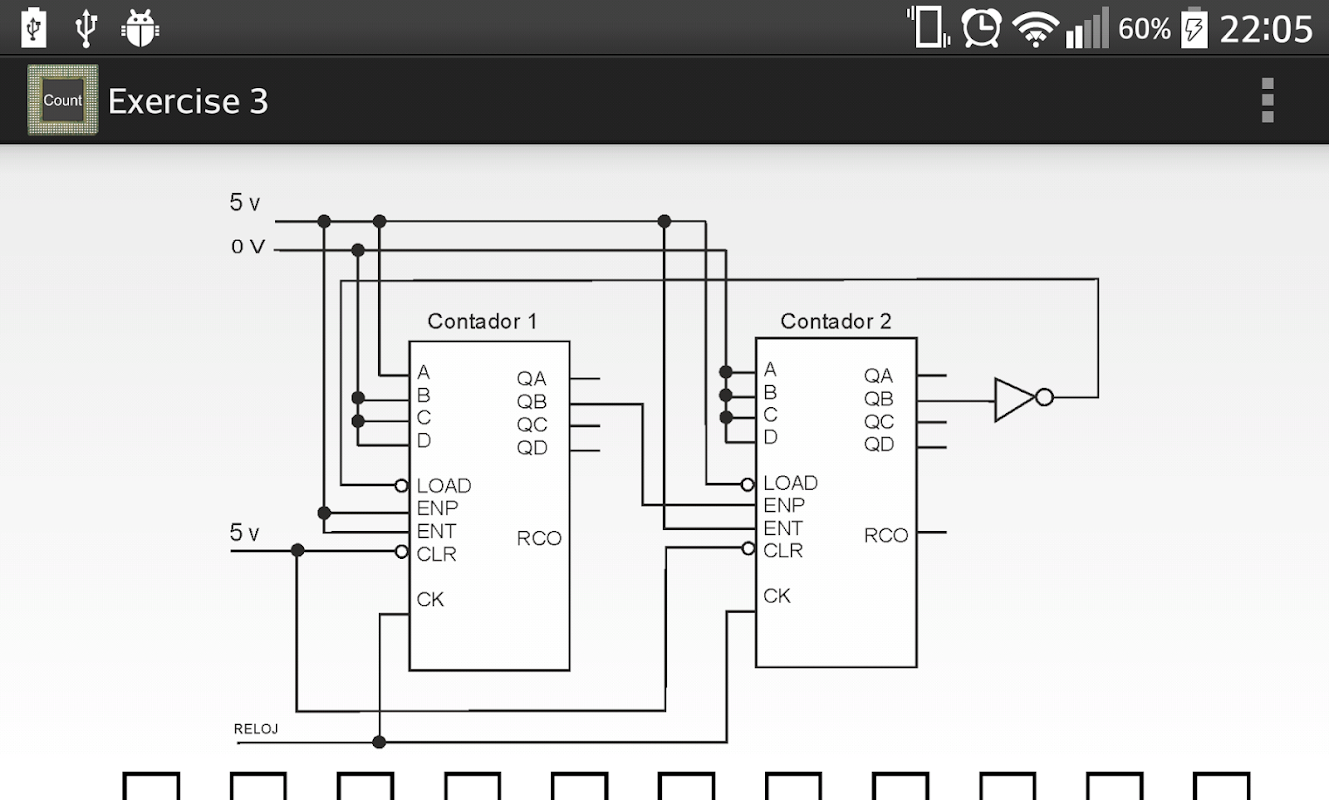
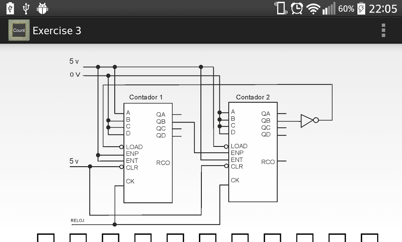
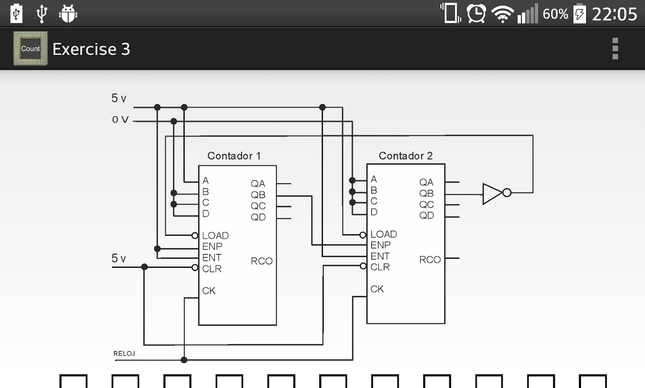
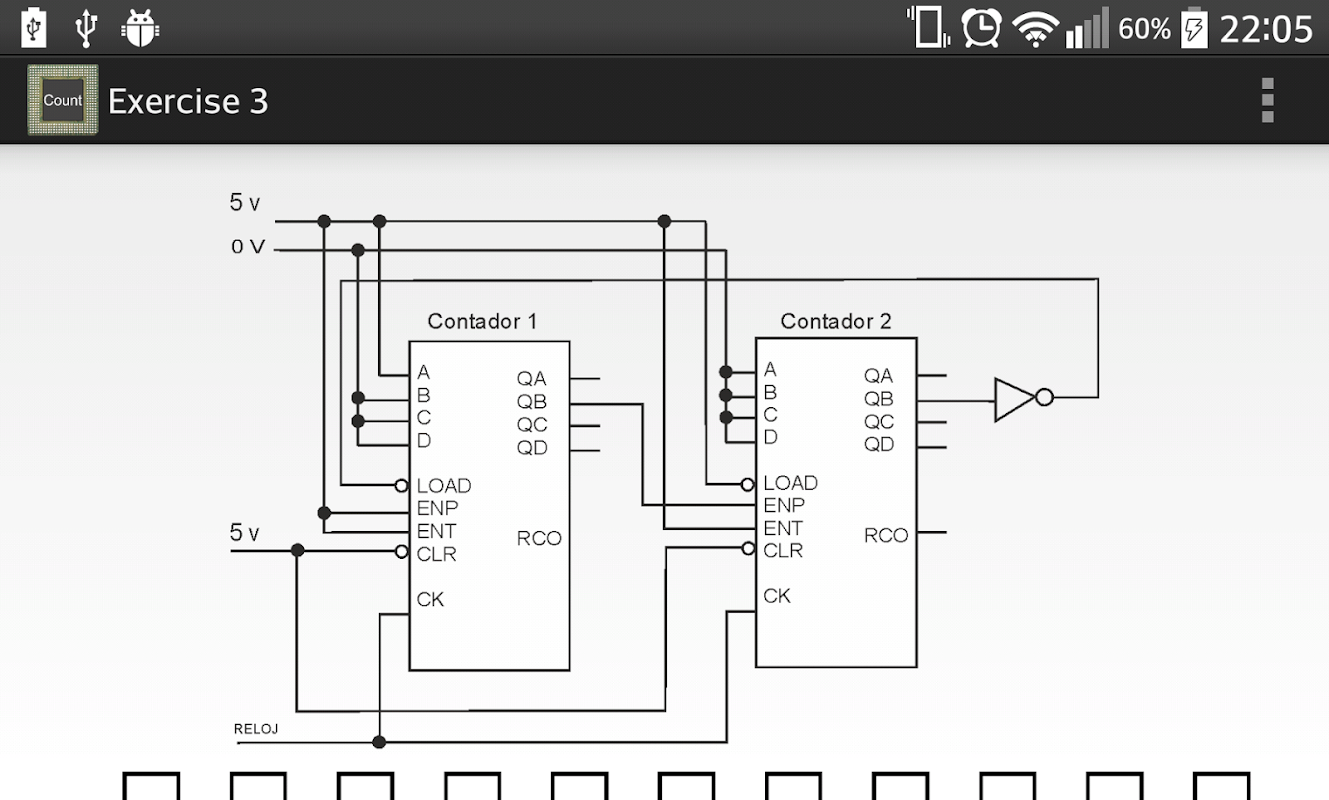
Gli esercizi contengono materiale come:
- Contatori binari
- Contatore Johnson
- Contatore Grigio
- Contatore One-caldo
- Commercialisti 74_163
- Infradito
- Contatore pseudorandom.
- Divisore di frequenza
- Orari
- Tabella di transizione
- Nozioni di reset sincrono e asincrono.
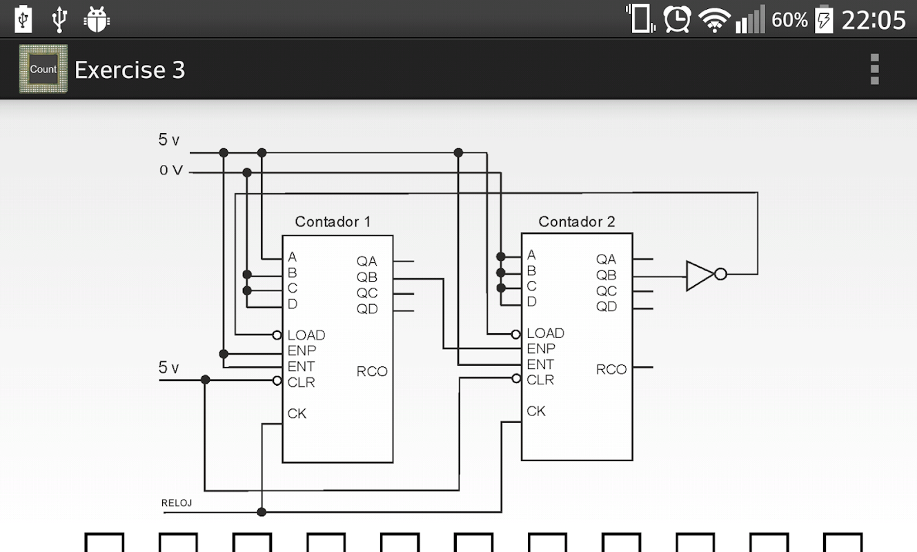
- Wi-sincrono a cascata di contatori.
What's new in the latest 2.1
Informazioni sull'APK Counters
Vecchie versioni di Counters
Counters 2.1
Download super veloce e sicuro tramite l'app APKPure
Basta un clic per installare i file XAPK/APK su Android!





