O Bolt Length - (Nominal Length)
Ta aplikacja jest aplikacją do obliczania długości nominalnej.
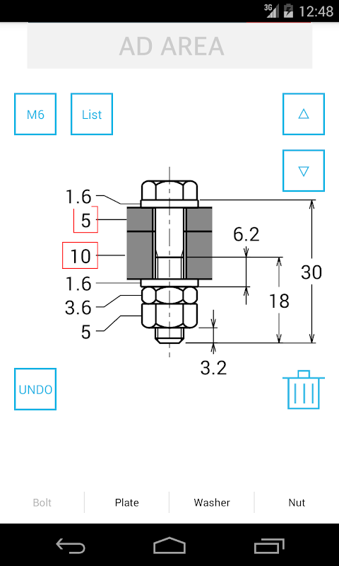
Ta aplikacja jest aplikacją do obliczania długości śruby.
※: Ta aplikacja nie gwarantuje skuteczność kombinacji.
※: Za pomocą tej aplikacji na własne ryzyko.
Zgodny z japońskich standardów przemysłowych (JIS).
Śruby są metryki gruba śruba.
Dla konstrukcji mechanicznej.
Niestety, tylko w Japan.Because pomocą JIS.
What's new in the latest 1.2.2
Last updated on 2024-10-14
update API Level
Informacje Bolt Length - (Nominal Length) APK
Ostatnia wersja
1.2.2
Kategoria
ProduktywnośćAndroid OS
Android 9.0+
Rozmiar Pliku
4.9 MB
Deweloper
mapp2014Ocena treści
Everyone
Bezpieczne i Szybkie Pobieranie APK na APKPure
APKPure używa weryfikacji podpisu, aby zapewnić bezpieczne pobieranie plików APK Bolt Length - (Nominal Length) bez wirusów dla Ciebie
Stare wersje Bolt Length - (Nominal Length)
Superszybkie i bezpieczne pobieranie za pośrednictwem aplikacji APKPure
Jedno kliknięcie, aby zainstalować pliki XAPK/APK na Androidzie!




