關於Electrical Installation Series
電氣安裝系列最好的應用程序2018
Electrical installation series is best app to learn and get all about electrical installation series.
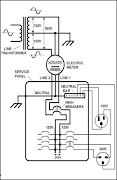
An electrical circuit is a closed course through which electricity is continuously flows from a source through a neutral wire. Along the circuit there may be fixtures, receptacles, and / or switches (protected by housing boxes) connected by either parallel or series wiring.
Electrical installation series are available With many styles:
✔ Electrical Installation Series
✔ Wiring diagram of a delta star connection
✔ wiring star delta diagram
✔ Star Delta Wiring Diagram
✔ Star delta motor connection
✔ Star Delta Network Wiring Diagram
Thank you for your downloading this app and we hope that you will like "Electrical Installation Series" app.




