sketch wiring star delta diagram

sketch wiring star delta diagram

  • 7.7 MB

    Dung lượng tệp

  • Everyone

  • Android 4.0.3+

    Android OS

Giới thiệu về sketch wiring star delta diagram

tải về sơ đồ tam giác sao hệ thống dây điện tại

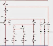
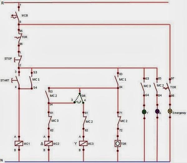
wiring star delta automatis diagram is a series of common standards whose working principle of moving the star connection to delta automatically using TDR. in changing the star changes to the delta we have to use a button again to make the circuit into a delta. Here we give some picture wiring diagram star delta automatis.

hopefully useful

Hiển thị nhiều hơn

What's new in the latest 1.0

Last updated on Jun 21, 2018
Minor bug fixes and improvements. Install or update to the newest version to check it out!
Hiển thị nhiều hơn

Video và ảnh chụp màn hình

  • sketch wiring star delta diagram bài đăng
  • sketch wiring star delta diagram ảnh chụp màn hình 1
  • sketch wiring star delta diagram ảnh chụp màn hình 2
  • sketch wiring star delta diagram ảnh chụp màn hình 3
  • sketch wiring star delta diagram ảnh chụp màn hình 4
  • sketch wiring star delta diagram ảnh chụp màn hình 5
  • sketch wiring star delta diagram ảnh chụp màn hình 6
  • sketch wiring star delta diagram ảnh chụp màn hình 7

Thông tin APK sketch wiring star delta diagram

Phiên bản mới nhất
1.0
Android OS
Android 4.0.3+
Dung lượng tệp
7.7 MB
Nhà phát triển
Bazzel Digital
Xếp hạng nội dung
Everyone
Tải APK an toàn và nhanh chóng trên APKPure
APKPure sử dụng xác minh chữ ký để đảm bảo tải APK miễn phí virus cho sketch wiring star delta diagram.

Phiên bản cũ của sketch wiring star delta diagram

APKPure biểu tượng

Tải xuống siêu nhanh và an toàn thông qua Ứng dụng APKPure

Một cú nhấp chuột để cài đặt các tệp XAPK/APK trên Android!

Tải về APKPure
thank icon
We use cookies and other technologies on this website to enhance your user experience.
By clicking any link on this page you are giving your consent to our Privacy Policy and Cookies Policy.
Learn More about Policies