PIC Microcontroller Projects
Archer Software Solution
2025年11月10日
66.3 MB
文件大小
Everyone
Android 5.0+
Android OS
关于PIC Microcontroller Projects
使用 MPLAB X IDE 和 XC8 编译器以及 Proteus 仿真的 PIC 项目。
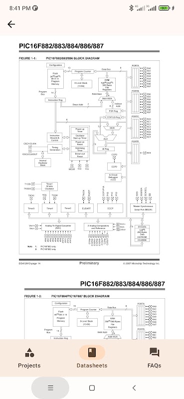
PIC 微控制器项目与 PIC16F887、MPLAB X IDE、XC8 编译器、MPASM 编译器和 Proteus 仿真文件。
如果您是电子/计算机/工程专业的学生或嵌入式系统和固件设计的爱好者,您应该使用此应用程序。这个名为“PIC Microcontroller Projects”的移动应用程序为您带来了令人惊叹的项目和示例代码。此应用程序中的所有项目均未使用由其他工程师和开发人员开发的库,而是基于只能在 PIC16F887 的数据表中找到的寄存器。此外,您还将获得此移动应用程序中每个项目的 proteus 模拟文件。
此应用程序的“PRO”版本可在以下 Google Play 商店链接中下载。
https://play.google.com/store/apps/details?id=com.picmicrocontroller_pro
更多项目将很快添加!
最新版本2.0.0的更新日志
Last updated on 2023年04月15日
Initial Release
PIC Microcontroller Projects APK信息
在APKPure安全快速地下载APK
APKPure 使用签名验证功能,确保为您提供无病毒的 PIC Microcontroller Projects APK 下载。
PIC Microcontroller Projects历史版本
PIC Microcontroller Projects 2.0.0
66.3 MB2023年04月15日







