AC Wiring Diagram के बारे में
आप एसी तारों आरेख मुक्त अनुप्रयोग के बारे में सबसे अच्छा मिल सकता है
How to Clean an Air Conditioner. Keeping your air conditioner clean will prevent expensive repairs and increase the efficiency and reliability of your unit.
Electrical Installation, Electrical Wiring, Law, Hardware, Toroidal Transformer, Electrical Engineering, Electrical Circuit Diagram, Motors.
Category :
Wiring Diagram AC Window
Electrical Wiring Diagrams for Air Conditioning Systems
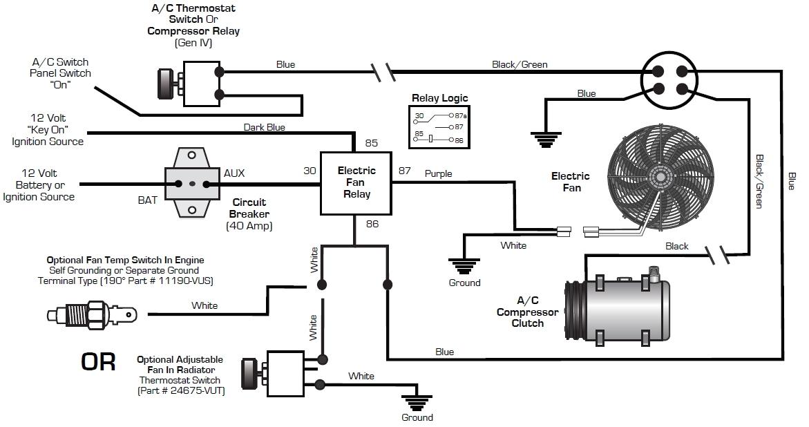
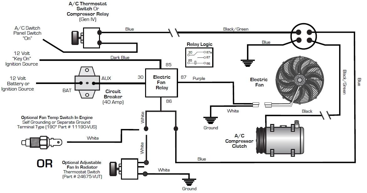
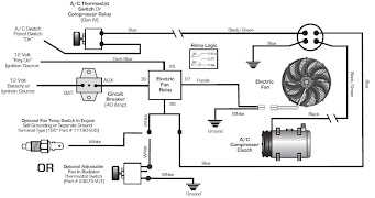
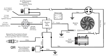
How to Wire an Air Conditioner for Control
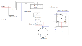
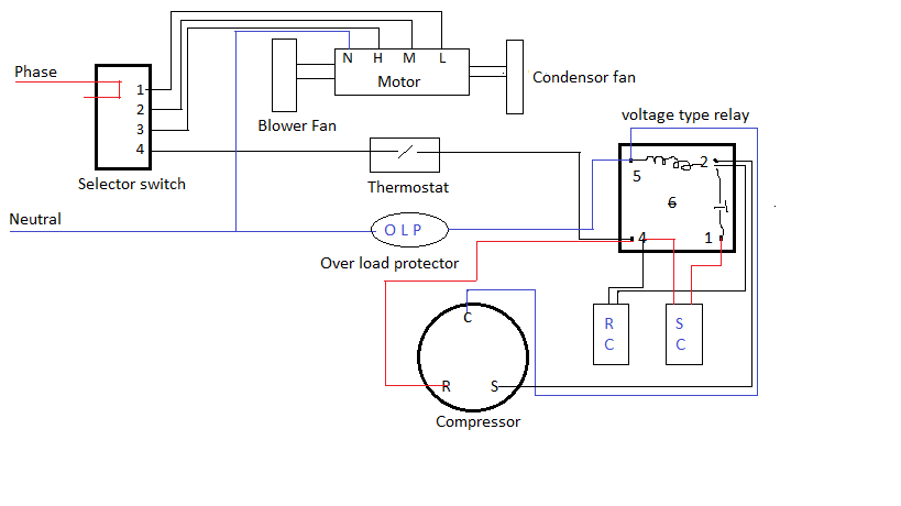
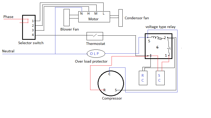
Split Air Conditioner Wiring Diagram
Basic House Wiring
ac remote control
Application Feature:
- Free apps
- Offline and Online App
- Small size
- Monthly updates
- Compatible with any device
- Many Category To AC Wiring Diagram
You can find the best and modern design about AC Wiring Diagram app free. Download Now...
What's new in the latest 1.0
small size
new categories :
Wiring Diagram AC Window
Electrical Wiring Diagrams for Air Conditioning Systems
How to Wire an Air Conditioner for Control
Split Air Conditioner Wiring Diagram
Basic House Wiring
ac remote control
AC Wiring Diagram APK जानकारी
AC Wiring Diagram के पुराने संस्करण
AC Wiring Diagram 1.0
APKPure ऐप के माध्यम से सुपर तेज़ और सुरक्षित डाउनलोडिंग
एंड्रॉइड पर XAPK/APK फ़ाइलें इंस्टॉल करने के लिए एक-क्लिक करें!




