关于AC Wiring Diagram
你可以找到最好的约AC接线图的免费应用程序
How to Clean an Air Conditioner. Keeping your air conditioner clean will prevent expensive repairs and increase the efficiency and reliability of your unit.
Electrical Installation, Electrical Wiring, Law, Hardware, Toroidal Transformer, Electrical Engineering, Electrical Circuit Diagram, Motors.
Category :
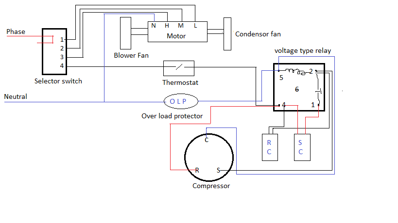
Wiring Diagram AC Window
Electrical Wiring Diagrams for Air Conditioning Systems
How to Wire an Air Conditioner for Control
Split Air Conditioner Wiring Diagram
Basic House Wiring
ac remote control
Application Feature:
- Free apps
- Offline and Online App
- Small size
- Monthly updates
- Compatible with any device
- Many Category To AC Wiring Diagram
You can find the best and modern design about AC Wiring Diagram app free. Download Now...
最新版本1.0的更新日志
small size
new categories :
Wiring Diagram AC Window
Electrical Wiring Diagrams for Air Conditioning Systems
How to Wire an Air Conditioner for Control
Split Air Conditioner Wiring Diagram
Basic House Wiring
ac remote control




