عن AC Wiring Diagram
يمكنك العثور على أفضل نحو AC مخطط الأسلاك التطبيق الحرة
How to Clean an Air Conditioner. Keeping your air conditioner clean will prevent expensive repairs and increase the efficiency and reliability of your unit.
Electrical Installation, Electrical Wiring, Law, Hardware, Toroidal Transformer, Electrical Engineering, Electrical Circuit Diagram, Motors.
Category :
Wiring Diagram AC Window
Electrical Wiring Diagrams for Air Conditioning Systems
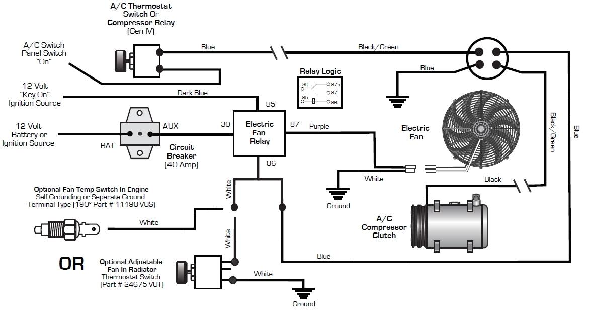
How to Wire an Air Conditioner for Control
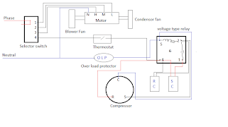
Split Air Conditioner Wiring Diagram
Basic House Wiring
ac remote control
Application Feature:
- Free apps
- Offline and Online App
- Small size
- Monthly updates
- Compatible with any device
- Many Category To AC Wiring Diagram
You can find the best and modern design about AC Wiring Diagram app free. Download Now...
What's new in the latest 1.0
small size
new categories :
Wiring Diagram AC Window
Electrical Wiring Diagrams for Air Conditioning Systems
How to Wire an Air Conditioner for Control
Split Air Conditioner Wiring Diagram
Basic House Wiring
ac remote control
معلومات AC Wiring Diagram APK
الإصدارات القديمة لـ AC Wiring Diagram
AC Wiring Diagram 1.0
قم بتنزيل سريع وآمن بالغاية عبر تطبيق APKPure
قم بتثبيت ملفات XAPK/APK بنقرة واحدة على أندرويد!




