Power Amplifier Circuit Design
SUMBER APPS
Aug 20, 2022
14.8 MB
Tamanho do arquivo
Everyone
Android 4.4+
Android OS
Sobre este Power Amplifier Circuit Design
Nesta aplicação, fornecemos idéias de circuitos amplificadores de potência
In this application, we provide various references for making power amplifier circuit diagrams which can later be used as a reference for power amp circuit diagram.
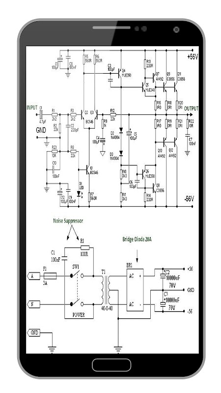
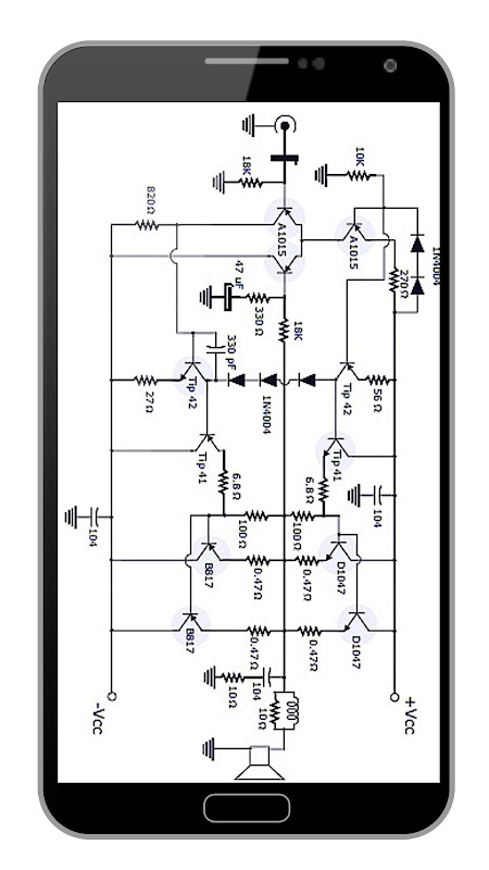
The power amplifier circuit is a device used to drive loads such as speakers with a minimum output impedance. Speakers will require high power at low impedance. Here the amplifier circuit is designed using a push pull class configuration.
This application provides various references to the amplifire circuit diagram which are expected to be useful
Novidades em 1.0.0 mais recente
Last updated on Aug 20, 2022
Minor bug fixes and improvements. Install or update to the newest version to check it out!
Informações sobre Power Amplifier Circuit Design APK
Última Versão
1.0.0
Categoria
ProdutividadeAndroid OS
Android 4.4+
Tamanho do arquivo
14.8 MB
Desenvolvedor
SUMBER APPSClassificação do Conteúdo
Everyone
Downloads seguros e rápidos de APK no APKPure
O APKPure usa verificação de assinatura para garantir downloads de APK Power Amplifier Circuit Design sem vírus para você.
Versões Antigas de Power Amplifier Circuit Design
Power Amplifier Circuit Design 1.0.0
14.8 MBAug 20, 2022
Baixar de Forma Rápida e Segura via APKPure App
Um clique para instalar arquivos XAPK/APK no Android!







