Power Amplifier Circuit Design
SUMBER APPS
Aug 20, 2022
14.8 MB
Bestandsgrootte
Everyone
Android 4.4+
Android OS
Over Power Amplifier Circuit Design
In deze toepassing bieden we ideeën voor stroomversterkercircuits:
In this application, we provide various references for making power amplifier circuit diagrams which can later be used as a reference for power amp circuit diagram.
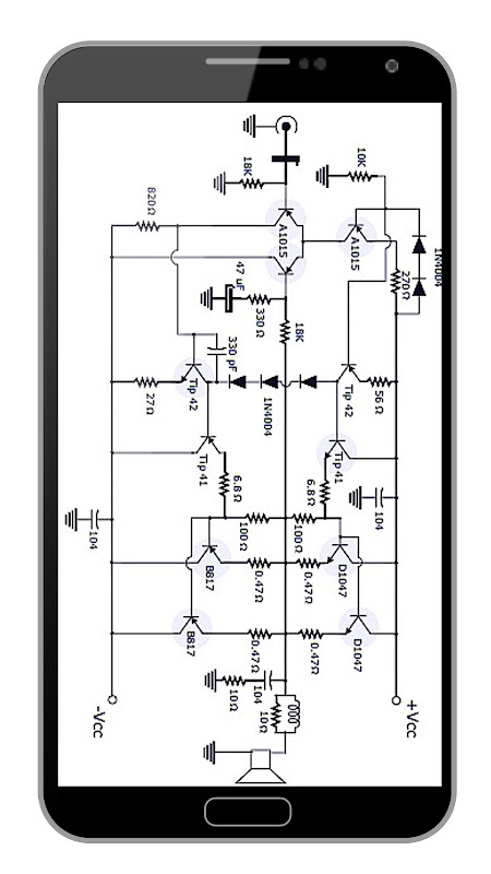
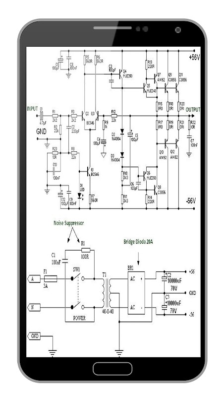
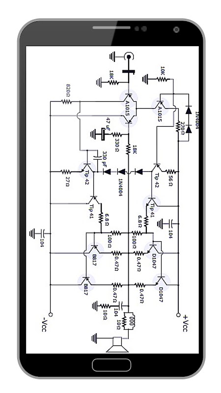
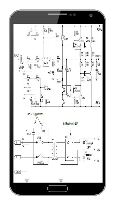
The power amplifier circuit is a device used to drive loads such as speakers with a minimum output impedance. Speakers will require high power at low impedance. Here the amplifier circuit is designed using a push pull class configuration.
This application provides various references to the amplifire circuit diagram which are expected to be useful
What's new in the latest 1.0.0
Last updated on Aug 20, 2022
Minor bug fixes and improvements. Install or update to the newest version to check it out!
Power Amplifier Circuit Design APK -informatie
Laatste versie
1.0.0
Categorie
ProductiviteitAndroid OS
Android 4.4+
Bestandsgrootte
14.8 MB
Ontwikkelaar
SUMBER APPSInhoudsbeoordeling
Everyone
Veilige en snelle APK Downloads op APKPure
APKPure gebruikt handtekeningverificatie om virusvrije Power Amplifier Circuit Design APK downloads voor u te garanderen.
Oude versies van Power Amplifier Circuit Design
Power Amplifier Circuit Design 1.0.0
14.8 MBAug 20, 2022
Supersnel en veilig downloaden via de APKPure-app
Eén klik om XAPK/APK-bestanden op Android te installeren!







