Power Amplifier Circuit Design
SUMBER APPS
Aug 20, 2022
14.8 MB
Dimensione
Everyone
Android 4.4+
Android OS
Informazioni su Power Amplifier Circuit Design
In questa applicazione forniamo idee per circuiti di amplificatori di potenza
In this application, we provide various references for making power amplifier circuit diagrams which can later be used as a reference for power amp circuit diagram.
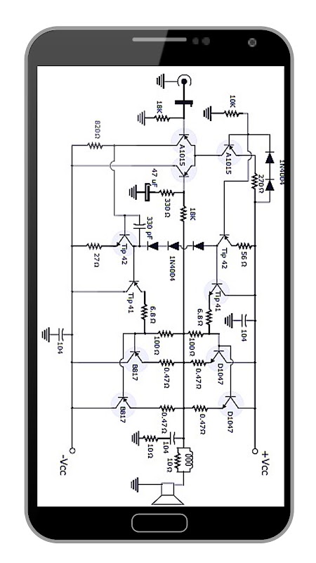
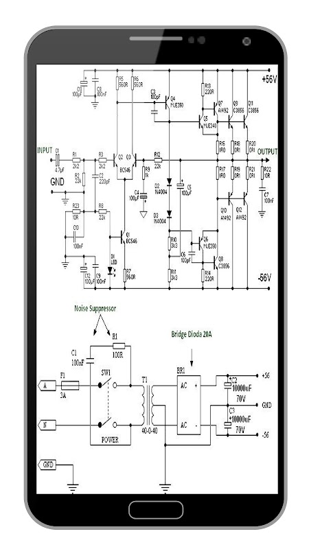
The power amplifier circuit is a device used to drive loads such as speakers with a minimum output impedance. Speakers will require high power at low impedance. Here the amplifier circuit is designed using a push pull class configuration.
This application provides various references to the amplifire circuit diagram which are expected to be useful
What's new in the latest 1.0.0
Last updated on Aug 20, 2022
Minor bug fixes and improvements. Install or update to the newest version to check it out!
Informazioni sull'APK Power Amplifier Circuit Design
Ultima versione
1.0.0
Categoria
ProduttivitàAndroid OS
Android 4.4+
Dimensione
14.8 MB
Sviluppatore
SUMBER APPSClassificazione dei contenuti
Everyone
Download APK sicuri e veloci su APKPure
APKPure utilizza la verifica delle firme per garantire download di APK Power Amplifier Circuit Design senza virus per te.
Vecchie versioni di Power Amplifier Circuit Design
Power Amplifier Circuit Design 1.0.0
14.8 MBAug 20, 2022
Download super veloce e sicuro tramite l'app APKPure
Basta un clic per installare i file XAPK/APK su Android!







