دربارهی Power Amplifier Circuit Design
In this application we provide power amplifier circuit ideas
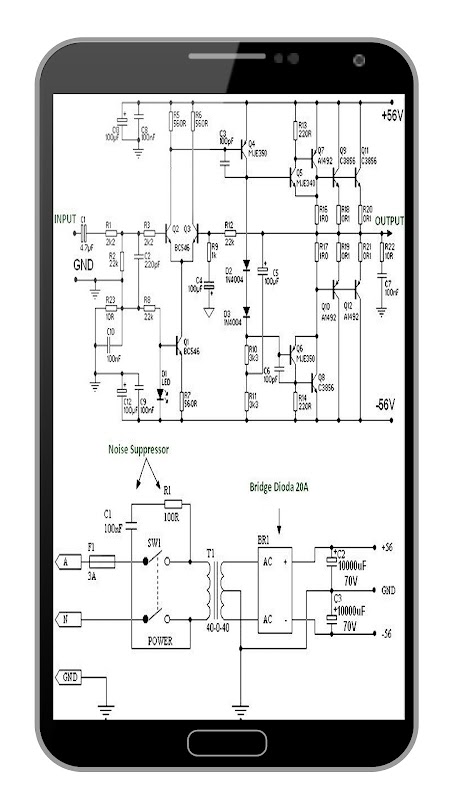
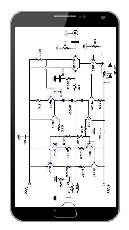
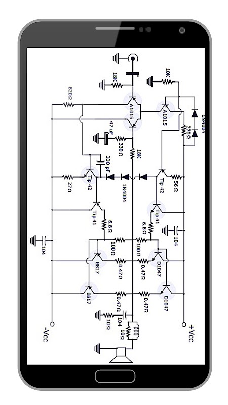
In this application, we provide various references for making power amplifier circuit diagrams which can later be used as a reference for power amp circuit diagram.
The power amplifier circuit is a device used to drive loads such as speakers with a minimum output impedance. Speakers will require high power at low impedance. Here the amplifier circuit is designed using a push pull class configuration.
This application provides various references to the amplifire circuit diagram which are expected to be useful
جدیدترین 1.0.0 چه خبر است
Last updated on 20/08/2022
Minor bug fixes and improvements. Install or update to the newest version to check it out!
اطلاعات Power Amplifier Circuit Design APK
آخرین نسخه
1.0.0
دسته بندی
انتظام کارAndroid OS
Android 4.4+
اندازه فایل
14.8 MB
توسعه دهنده
SUMBER APPSرتبهبندی محتوا
Everyone
ایمن و سریع APK دانلود در APKPure
APKPure از تأیید امضای نرمافزار برای اطمینان از دانلودهای بدون ویروس APK Power Amplifier Circuit Design استفاده میکند.
نسخههای قدیمی Power Amplifier Circuit Design
Power Amplifier Circuit Design 1.0.0
14.8 MB20/08/2022
دانلود فوق سریع و ایمن از طریق برنامه APKPure
برای نصب فایل های XAPK/APK در اندروید با یک کلیک!







