Circuit d'amplificateur de puissance
4.6 MB
Taille de fichier
Everyone
Android 2.3.2+
Android OS
À propos de Circuit d'amplificateur de puissance
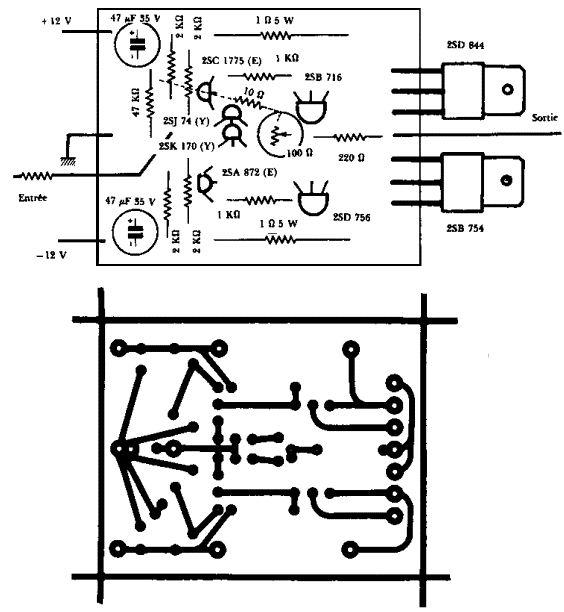
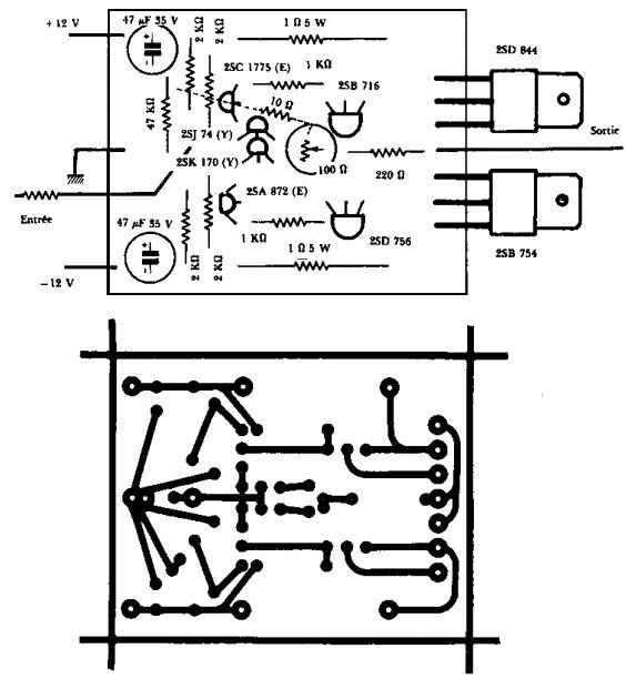
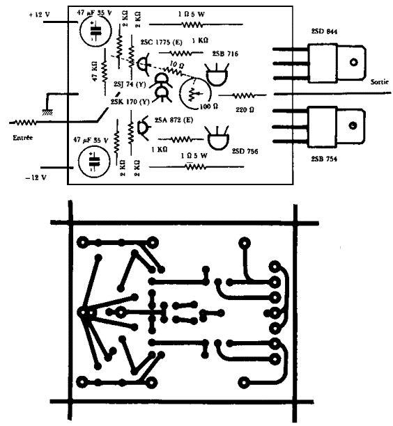
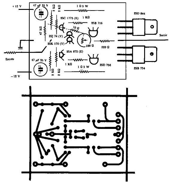
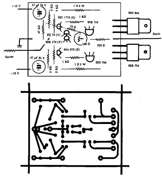
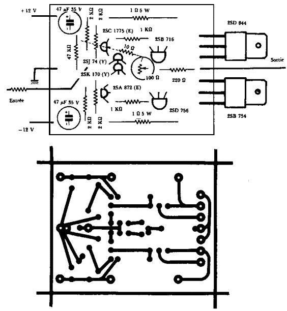
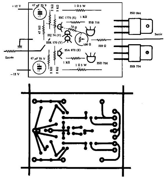
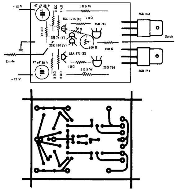
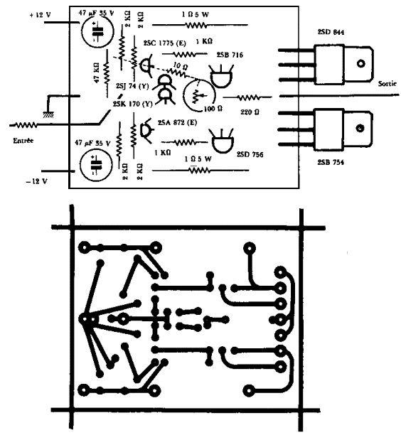
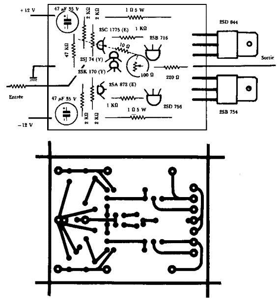
Aujourd'hui, nous partageons avec vous le circuit imprimé de l'amplificateur de
Circuit d'amplificateur de puissance
Aujourd'hui, nous partageons avec vous le circuit imprimé de l'amplificateur de puissance!
Nous avons fourni une application simple sous forme de carte de circuit d'amplificateur de puissance qui peut vous aider à trouver des idées, des moyens ou des éléments liés à cette application.
Le circuit de l’amplificateur de puissance de l’application a une faible capacité et n’interfère donc pas avec les performances de votre téléphone mobile. Très facile à utiliser et simple
Application Circuit d'amplificateur de puissance n'est pas un jeu, il ne contient que des images. Ce qui se présente sous la forme d'instructions, de moyens, d'idées et même de tutoriels pour utiliser une chose.
Les images disponibles dans l'application Circuit de l'amplificateur de puissance ne peuvent pas être utilisées comme papier peint. Mais si vous aimez l'image dans l'application Circuit de l'amplificateur de puissance, vous pouvez utiliser la méthode de la capture d'écran.
Le truc, c'est que vous pouvez choisir l'image que vous aimez. Si tel est le cas, sélectionnez le mode de capture d'écran sur votre téléphone portable ou généralement en appuyant sur les boutons d'alimentation et de volume (sur le bouton pour réduire le son).
Ensuite, l’image sera sauvegardée dans le dossier de captures d’écran de votre mobile. Modifiez-la, recadrez-la à votre guise, puis sauvegardez
Les images peuvent ensuite être utilisées comme papier peint, vous pouvez partager et autres. Si vous vous sentez utile dans cette application Circuit Board d'amplificateur de puissance, veuillez la noter, la commenter poliment, et la partager avec tous vos amis.
Remarque:
- Les images existantes peuvent avoir le droit d'auteur
- Ne pas abuser
- Application simple qui peut être utilisée en mode hors connexion, contenant uniquement du contenu pouvant être utile
- Veuillez nous avertir s'il y a une partie lésée.
- Nous corrigerons immédiatement nos erreurs.
Circuit d'amplificateur de puissance
Circuit de l'amplificateur de puissance populaire
nouvelles idées de design de circuits d'amplificateurs de puissance
Conception du circuit imprimé de l'amplificateur de puissance
conception simple de circuit imprimé d'amplificateur de puissance
Circuit d'amplificateur de puissance
Faire la carte de circuit d'amplificateur de puissance
Amplificateur PCB
Circuit d'amplificateur de puissance - Schéma de câblage
What's new in the latest 2.0
Informations Circuit d'amplificateur de puissance APK
Vieilles versions de Circuit d'amplificateur de puissance
Circuit d'amplificateur de puissance 2.0
Circuit d'amplificateur de puissance 1.0
Téléchargement super rapide et sûr via l'application APKPure
Un clic pour installer les fichiers XAPK/APK sur Android!





