Power Amplifier Circuit Board
4.6 MB
File Size
Everyone
Android 2.3.2+
Android OS
About Power Amplifier Circuit Board
Today, we share Power Amplifier Circuit Board to you!
Power Amplifier Circuit Board
Today, we share Power Amplifier Circuit Board to you!
We have provided a simple application in the form of Power Amplifier Circuit Board that can help you in finding ideas, ways or things related to this application.
The application Power Amplifier Circuit Board has a small capacity, so it doesn't interfere with the performance of your mobile phone. Very easy to use and simple
Application Power Amplifier Circuit Board is not a game, it only contains images. Which is in the form of instructions, ways, ideas, even tutorials to use a thing.
Images available in the application Power Amplifier Circuit Board cannot be used as wallpaper. But if you like the image in the application Power Amplifier Circuit Board you can use the screenshot method.
The trick is, you can choose the image you like. If so, select the screenshot mode on your mobile, or usually by pressing the power and volume buttons (on the button to reduce the sound).
Then the image will be saved in the screenshot folder on your mobile, please edit the image, crop it as you wish, then save
Images can then be used as wallpaper, you can share and others. If this application Power Amplifier Circuit Board you feel useful, please rate it, comment it politely, and share it with all your friends.
Note:
- Existing images may have copyright
- Do not intend to abuse
- Simple application that can be used while offline, just containing content that can be useful
- Please give a warning to us if there is an injured party.
- We will immediately correct our mistakes.
Power Amplifier Circuit Board
popular Power Amplifier Circuit Board
new Power Amplifier Circuit Board design ideas
Power Amplifier Circuit Board design
simple Power Amplifier Circuit Board design
Power Power Amplifier Circuit Board
Make Power Amplifier Circuit Board
PCB Amplifier
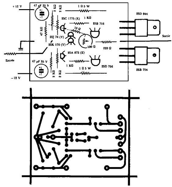
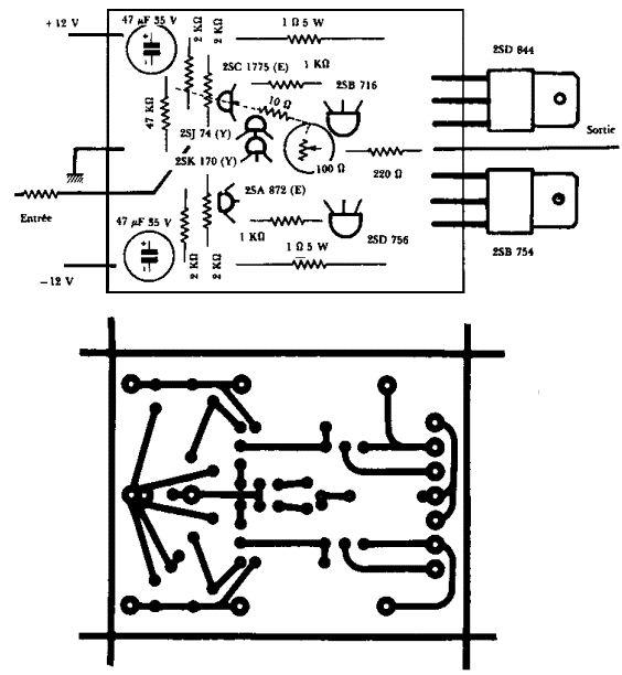
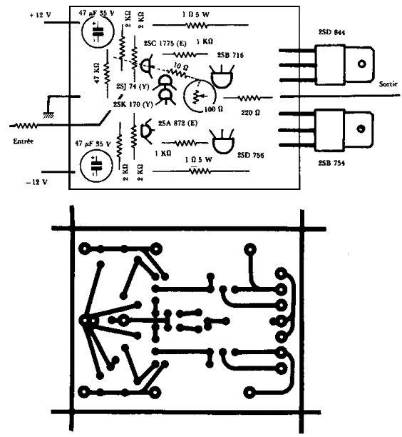
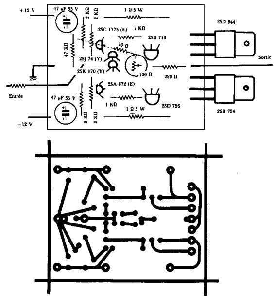
Power Amplifier Circuit Board – Wiring Diagram
What's new in the latest 2.0
Power Amplifier Circuit Board APK Information
Old Versions of Power Amplifier Circuit Board
Power Amplifier Circuit Board 2.0
Power Amplifier Circuit Board 1.0
Super Fast and Safe Downloading via APKPure App
One-click to install XAPK/APK files on Android!





