Eindversterker printplaat
4.6 MB
Bestandsgrootte
Everyone
Android 2.3.2+
Android OS
Over Eindversterker printplaat
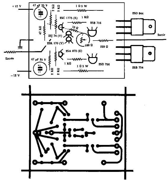
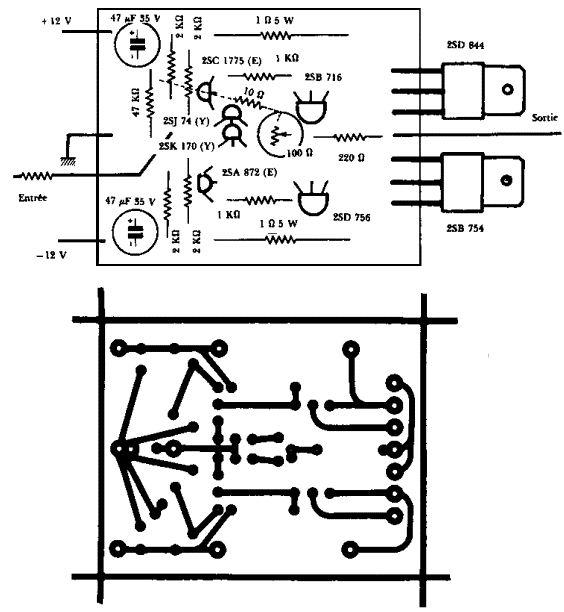
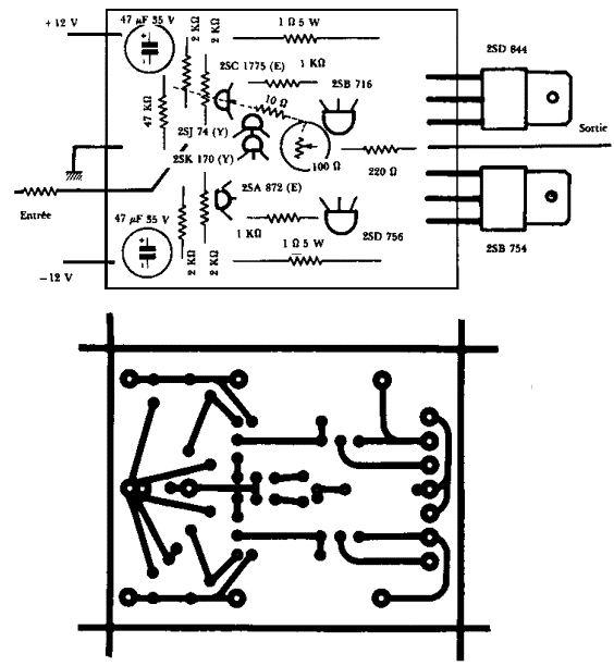
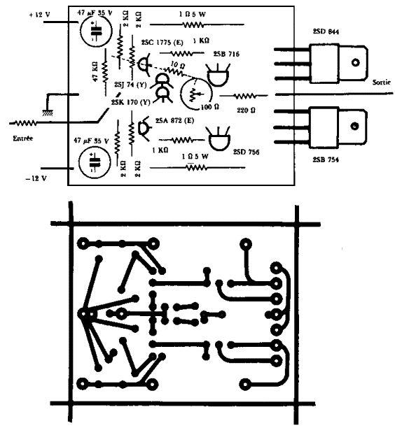
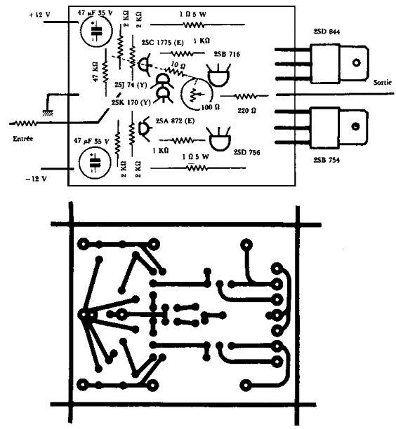
Vandaag delen we de printplaat van de vermogensversterker met u!
Eindversterker printplaat
Vandaag delen we de printplaat van de vermogensversterker met u!
We hebben een eenvoudige toepassing geboden in de vorm van een printplaat voor vermogensversterkers die u kan helpen bij het vinden van ideeën, manieren of dingen die met deze toepassing te maken hebben.
De applicatie Power Amplifier Circuit Board heeft een kleine capaciteit, zodat deze niet interfereert met de prestaties van uw mobiele telefoon. Zeer eenvoudig in gebruik en eenvoudig
Toepassing Eindversterker Printplaat is geen spel, het bevat alleen afbeeldingen. Dat is in de vorm van instructies, manieren, ideeën en zelfs tutorials om iets te gebruiken.
Afbeeldingen beschikbaar in de toepassing Printplaat van een vermogensversterker kan niet als achtergrond worden gebruikt. Maar als je het plaatje in de Power Amplifier Circuit Board van de toepassing leuk vindt, kun je de screenshot-methode gebruiken.
De kunst is, je kunt de afbeelding kiezen die je leuk vindt. Als dit het geval is, selecteert u de screenshot-modus op uw mobiele telefoon, of meestal door op de aan / uit-knoppen en de volumeknoppen te drukken (op de knop om het geluid te verminderen).
Vervolgens wordt de afbeelding opgeslagen in de map met de screenshot op uw mobiel. Bewerk de afbeelding, knip deze naar wens bij en sla deze op
Afbeeldingen kunnen vervolgens worden gebruikt als achtergrond, u kunt delen en anderen. Als je deze Power Amplifier Circuit Board als nuttig ervaart, geef dit dan aan, becommentarieer het beleefd en deel het met al je vrienden.
Notitie:
- Bestaande afbeeldingen kunnen auteursrechtelijk beschermd zijn
- Wees niet van plan misbruik te maken
- Eenvoudige applicatie die offline kan worden gebruikt, maar alleen inhoud bevat die nuttig kan zijn
- Geef ons alstublieft een waarschuwing als er een benadeelde partij is.
- We zullen onze fouten onmiddellijk corrigeren.
Eindversterker printplaat
populaire eindversterker printplaat
nieuwe ontwerpideeën voor vermogensversterkercircuits
Eindversterker printplaat ontwerp
eenvoudige printplaat met vermogensversterker
Power Power Amplifier Circuit Board
Maak de printplaat van de vermogensversterker
PCB-versterker
Eindversterker printplaat - bedradingsschema
What's new in the latest 2.0
Eindversterker printplaat APK -informatie
Oude versies van Eindversterker printplaat
Eindversterker printplaat 2.0
Eindversterker printplaat 1.0
Supersnel en veilig downloaden via de APKPure-app
Eén klik om XAPK/APK-bestanden op Android te installeren!





