PLC Ladder Simulator
25.6 MB
ফাইলের আকার
Everyone
Android 7.0+
Android OS
PLC Ladder Simulator সম্পর্কে
প্রথম বাস্তব মই কাল্পনিক এবং Android এর জন্য যাও Arduino মই প্রোগ্রামার
গুরুত্বপূর্ণ: আগে আপনি এই অ্যাপ্লিকেশনটি ব্যবহার করছেন, দয়া করে এটি কিভাবে ব্যবহার করতে টিউটোরিয়াল ভিডিও দেখতে পাবে।
- https://youtu.be/I9X7u_z0JCA
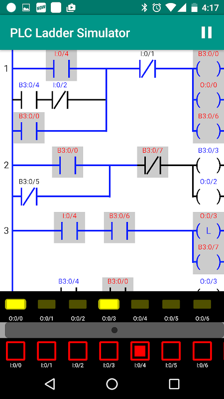
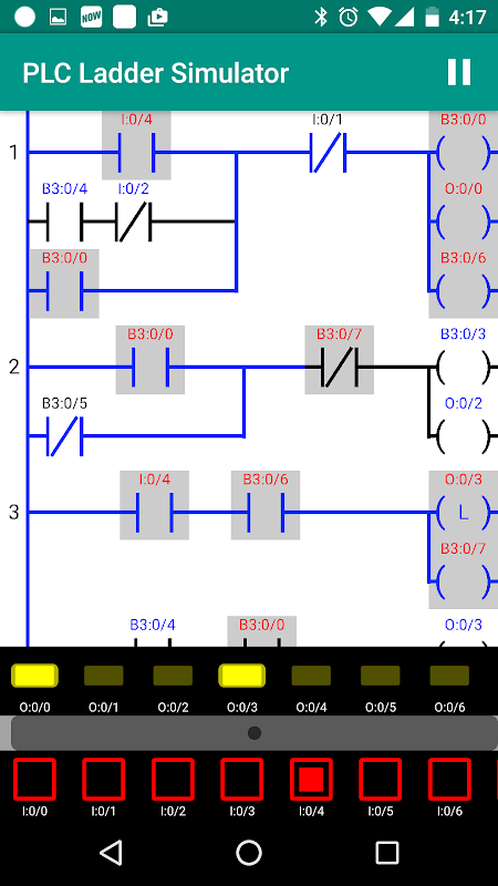
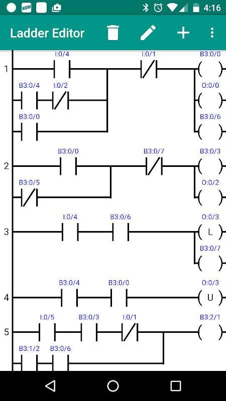
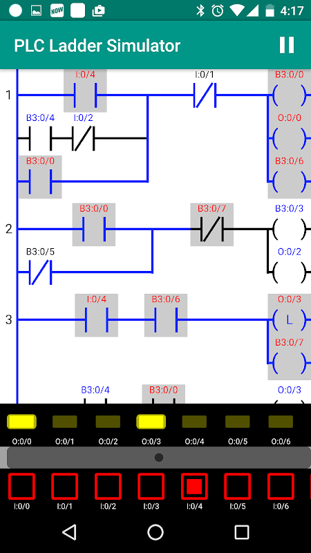
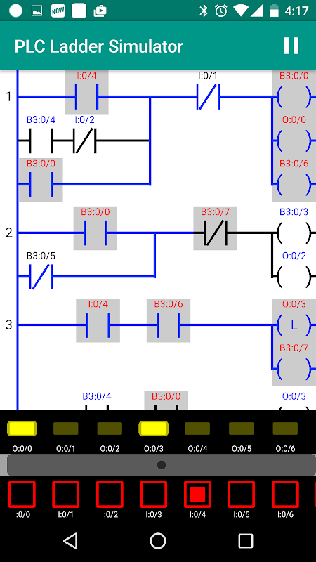
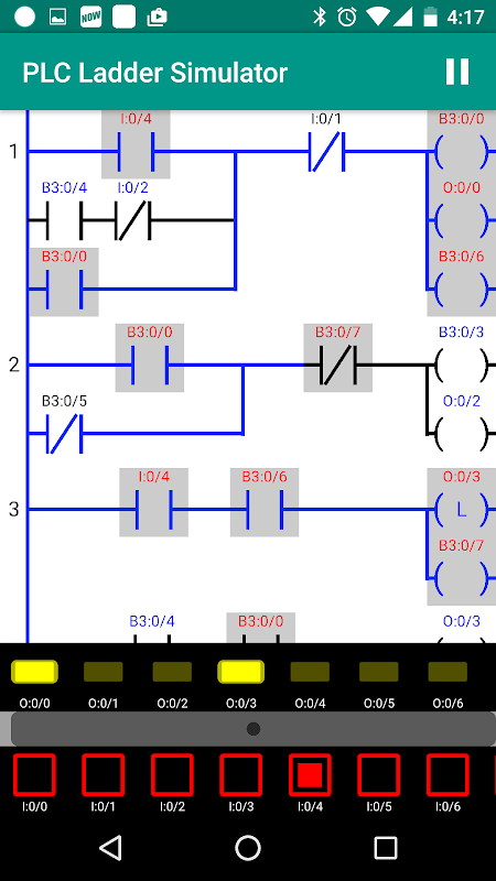
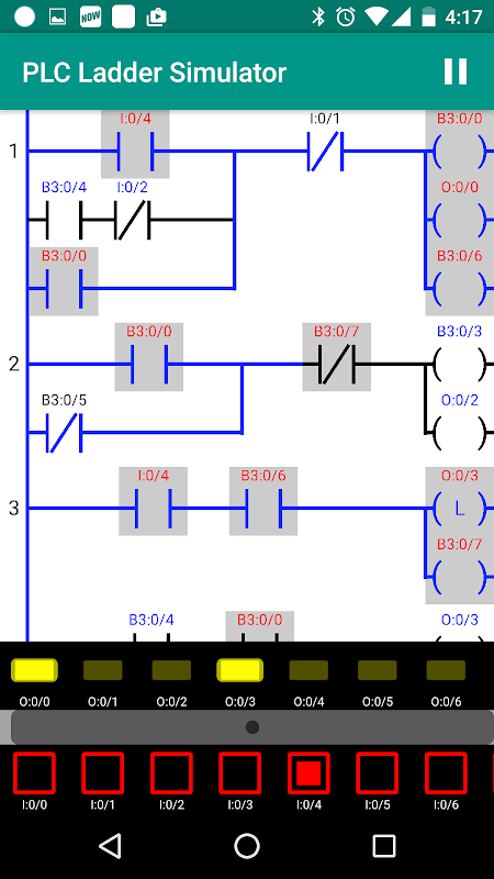
শিল্পে পিএলসি শিল্প প্রক্রিয়ায় চলমান মস্তিষ্কের যেমন তার ভূমিকা কারণ সবচেয়ে গুরুত্বপূর্ণ অটোমেশন ডিভাইস। এই মস্তিষ্ক একটি বাক্য গঠন ব্যবহার একটি সুশৃঙ্খল, অনুক্রমিক পদ্ধতিতে কর্ম সঞ্চালন পাবে।
পিএলসি নেটিভ ভাষা "মই যুক্তিবিজ্ঞান" বলা হয়। মধ্যে যে এটি একটি ফর্ম যে পাগল এবং rungs সঙ্গে একটি মই বর্ণনার অনুরূপ পরিপূর্ণ করা যায় মই যুক্তি, গ্রাফিক্যাল হয়। মই যুক্তিবিজ্ঞান ডায়াগ্রামে রিলে-সার্কিট ডায়াগ্রামে যে PLCs আবির্ভাব পূর্বে ইলেকট্রনিক সার্কিটের জন্য ব্যবহার করা হয় মূলত বিকশিত হয়েছে।
পিএলসি মই সিমুলেটার ইনপুট এবং আউটপুট যে বস্তু ভান একটি বাস্তব পিএলসি ইনপুট / আউটপুট পোর্ট অ্যান্ড্রয়েড অপারেটিং সিস্টেমের জন্য একটি কাল্পনিক নয়। আপনি সাধারন এই ডায়াগ্রামে ব্যবহৃত সেট থেকে উপাদান ব্যবহার করে মই-যুক্তিবিজ্ঞান ডায়াগ্রামে তৈরি করতে পিএলসি মই সিমুলেটার ব্যবহার করতে পারেন।
পিএলসি মই সিমুলেটার বিশ্বের প্রাপ্তিসাধ্য একটি অনন্য বিকল্প অতিরিক্ত বৈশিষ্ট্যগুলিও উপস্থিত রয়েছে এবং এটি প্রোগ্রামের সম্ভাবনা একটি Android ফোন ব্যবহার করে একটি মই নকশা সঙ্গে একটি Arduino বোর্ড আছে। তাই আসলে এটি কী করে একটি পিএলসি (প্রোগ্রামেবল লজিক কন্ট্রোলার) মধ্যে একটি Arduino রূপান্তরিত হয়। অ্যাপ্লিকেশানটি কোনো ইউএসবি OTG ক্যাবল বা ব্লুটুথ মডিউল ব্যবহার করে Arduino মধ্যে একটি কোড লিখেছেন।
যাও Arduino মোড এটা যাও Arduino ইউএনও (atmega328) এবং M5Stack ESP32 সঙ্গে সামঞ্জস্যপূর্ণ নয়।
দ্রষ্টব্য: এই অ্যাপ্লিকেশন ট্যাবলেট কাজ করে না, শুধুমাত্র Android ফোনগুলির জন্য, আপনি করতে চান তাহলে এটা চেষ্টা করতে পারেন।
এটা কিছু স্যামসাং গ্যালাক্সি ট্যাব 4 কাজ করে না।
সম্ভাবনা যে অ্যাপ্লিকেশন আপনার ডিভাইসের উপর কাজ করে তা নিশ্চিত করার জন্য, ভিডিও টিউটোরিয়ালে উদাহরণ অনুসরণ করে।
ভিডিও টিউটোরিয়াল (ইংরেজি): https://youtu.be/I9X7u_z0JCA
পিএলসি মই সিমুলেটার ওয়েবসাইট: http://plcladdersimulator.weebly.com/
[email protected]: যদি আপনার কোন প্রশ্ন বা সমস্যা থাকে, তাহলে তুমি আমার দিকে যোগাযোগ করতে পারেন
What's new in the latest 1.46
PLC Ladder Simulator APK Information
PLC Ladder Simulator এর পুরানো সংস্করণ
PLC Ladder Simulator 1.46
PLC Ladder Simulator 1.45
PLC Ladder Simulator 1.44
PLC Ladder Simulator 1.43
APKPure অ্যাপের মাধ্যমে অতি দ্রুত এবং নিরাপদ ডাউনলোড করা হচ্ছে
Android-এ XAPK/APK ফাইল ইনস্টল করতে এক-ক্লিক করুন!





