PLC Ladder Simulator
25.6 MB
حجم الملف
Everyone
Android 7.0+
Android OS
عن PLC Ladder Simulator
أول محاكاة سلم حقيقي واردوينو سلم مبرمج لالروبوت
هام: قبل استخدام هذا التطبيق، يرجى مشاهدة الفيديو التعليمي على كيفية استخدامها.
- https://youtu.be/I9X7u_z0JCA
في صناعة PLC هو الجهاز الآلي الأكثر أهمية بسبب دورها بوصفها الدماغ في تشغيل العمليات الصناعية. يستخدم هذا الدماغ جملة لتكون قادرة على تنفيذ المهام في، بشكل متتابع منظم.
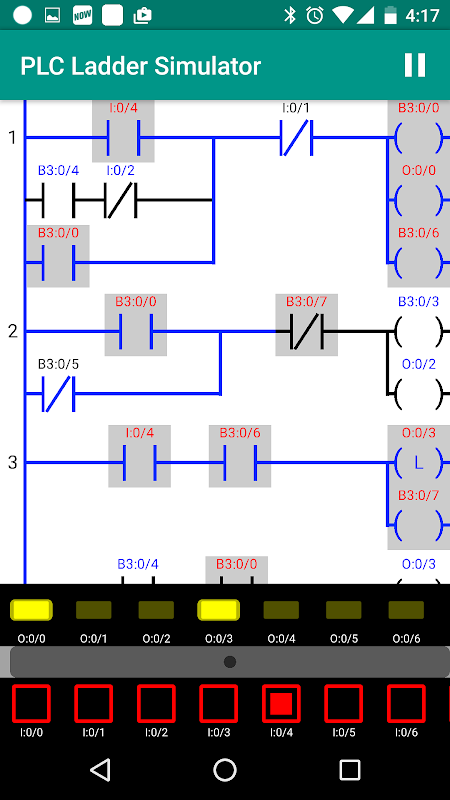
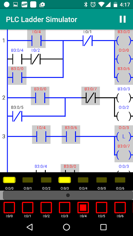
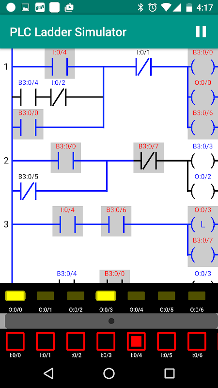
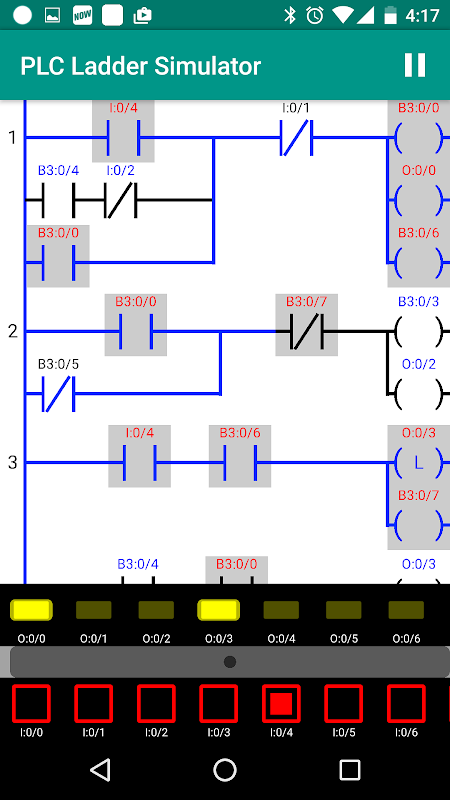
ويطلق على اللغة الأم للPLC "منطق سلم". منطق السلم هو الرسومية، حيث أنه يمكن وضعها في شكل يشبه سلما مع القضبان والدرجات. وقد وضعت سلم المخططات المنطق أصلا من الرسوم البيانية تتابع الدائرة التي كانت تستخدم للدوائر الإلكترونية قبل ظهور الشركات المحدودة العامة.
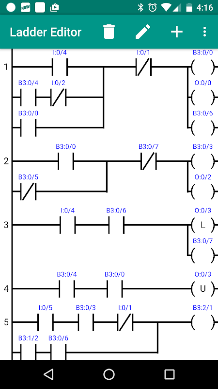
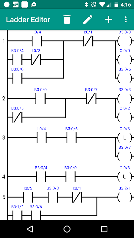
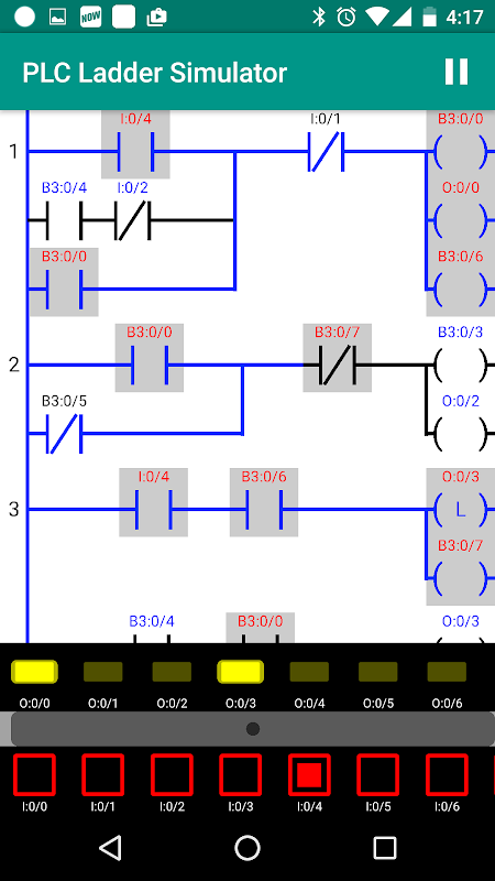
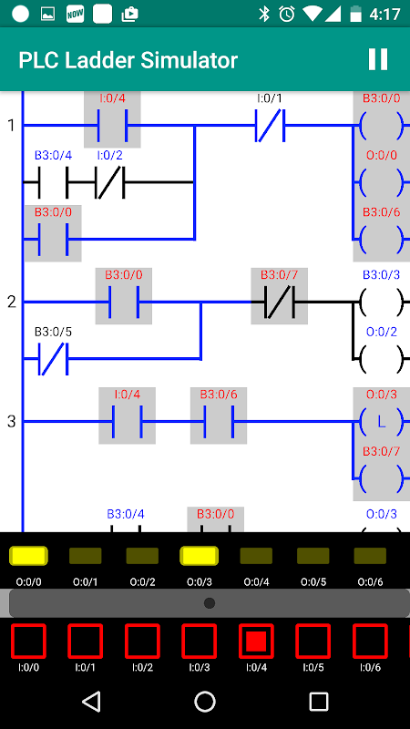
PLC محاكي سلم هو محاكاة لنظام التشغيل أندرويد مع المدخلات والمخرجات الأشياء التي تحاكي الموانئ I / O لPLC الحقيقي. يمكنك استخدام PLC محاكي سلم لخلق الرسوم البيانية سلم منطق باستخدام مكونات من مجموعة القياسية المستخدمة في هذه المخططات.
PLC سلم محاكي يتميز الخيار الفريدة المتاحة في العالم وانه من إمكانية برنامج لوحة اردوينو مع تصميم سلم باستخدام هاتف يعمل بنظام Android. ذلك في الواقع ما تقوم به هو الذي يحول اردوينو إلى PLC (برمجة المنطق المراقب المالي). التطبيق يكتب الشفرة في اردوينو باستخدام كابل USB OTG أو وحدة بلوتوث.
وضع اردوينو انها متوافقة مع اردوينو UNO (atmega328) وM5Stack ESP32.
ملاحظة: هذا التطبيق لا يعمل في أقراص، فقط للهواتف أندرويد، يمكنك أن تجرب ذلك إذا كنت ترغب في ذلك.
أنها لا تعمل في بعض سامسونج جالاكسي تاب 4.
لضمان إمكانية أن يعمل التطبيق على جهازك، اتبع سبيل المثال في شريط فيديو تعليمي.
فيديو تعليمي (باللغة الإنجليزية): https://youtu.be/I9X7u_z0JCA
PLC سلم محاكي موقع: http://plcladdersimulator.weebly.com/
إذا كان لديك أي سؤال أو مشكلة، يمكنك الاتصال بي على العنوان التالي: [email protected]
What's new in the latest 1.46
معلومات PLC Ladder Simulator APK
الإصدارات القديمة لـ PLC Ladder Simulator
PLC Ladder Simulator 1.46
PLC Ladder Simulator 1.45
PLC Ladder Simulator 1.44
PLC Ladder Simulator 1.43
قم بتنزيل سريع وآمن بالغاية عبر تطبيق APKPure
قم بتثبيت ملفات XAPK/APK بنقرة واحدة على أندرويد!





