PLC Ladder Simulator
25.6 MB
Taille de fichier
Everyone
Android 7.0+
Android OS
À propos de PLC Ladder Simulator
Le premier simulateur d'échelle réelle et échelle Arduino pour Android programer
IMPORTANT: Avant d'utiliser cette application, s'il vous plaît voir la vidéo tutoriel sur la façon de l'utiliser.
- https://youtu.be/I9X7u_z0JCA
Dans l'industrie du PLC est le plus important dispositif d'automatisation en raison de son rôle du cerveau dans l'exécution de processus industriels. Ce cerveau utilise une syntaxe pour pouvoir effectuer des tâches de manière séquentielle ordonnée,.
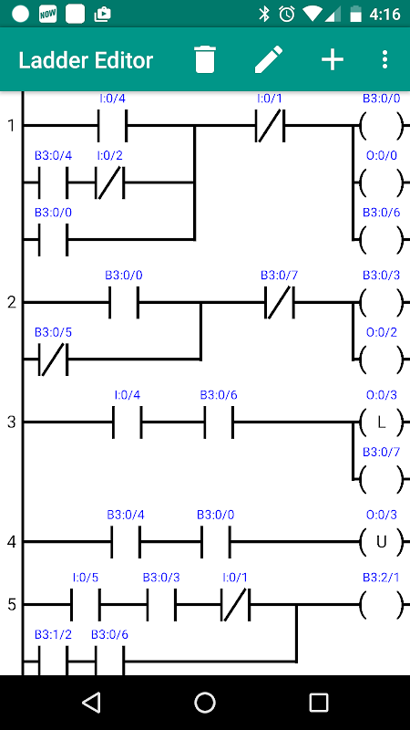
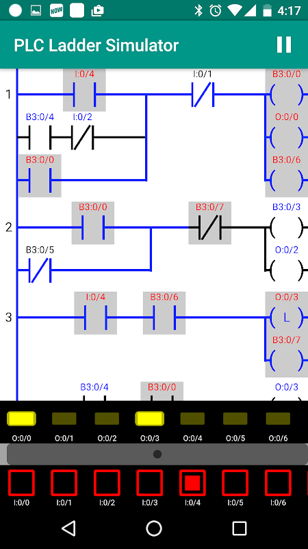
La langue maternelle de l'automate est appelée « logique de l'échelle ». la logique d'échelle est graphique, en ce qu 'il peut être mis sous une forme qui ressemble à une échelle avec des rails et des barreaux. schémas logiques ladder ont été développés à l'origine de schémas des circuits de relais qui ont été utilisés pour des circuits électroniques avant l'arrivée des automates.
Simulateur automate d'échelle est un simulateur pour le système d'exploitation applications avec des objets d'entrée et de sortie qui simulent les ports d'E / S d'un véritable automate. Vous pouvez utiliser Simulator PLC Ladder pour créer des diagrammes logiques d'échelle en utilisant des composants de l'ensemble standard utilisé dans ces schémas.
PLC Ladder Simulator dispose d'une option unique disponible dans le monde et il est la possibilité de programmer un conseil d'administration Arduino avec une conception de l'échelle en utilisant un téléphone Android. Donc en fait ce qu'il fait est que transforme un Arduino dans un PLC (Programmable Logic Controller). L'application écrit un code dans l'Arduino à l'aide d'un câble USB OTG ou un module Bluetooth.
Le mode Arduino il est compatible avec l'ONU Arduino (ATmega328) et le M5Stack ESP32.
Note: Cette application ne fonctionne pas sous forme de comprimés, seulement pour les téléphones Android, vous pouvez l'essayer si vous voulez.
Il ne fonctionne pas dans certains Samsung Galaxy Tab 4.
Afin d'assurer la possibilité que l'application fonctionne sur votre appareil, suivez l'exemple dans le tutoriel vidéo.
Tutoriel vidéo (en anglais): https://youtu.be/I9X7u_z0JCA
PLC Ladder Site Web Simulator: http://plcladdersimulator.weebly.com/
Si vous avez une question ou un problème, vous pouvez me contacter à l'adresse: [email protected]
What's new in the latest 1.46
Informations PLC Ladder Simulator APK
Vieilles versions de PLC Ladder Simulator
PLC Ladder Simulator 1.46
PLC Ladder Simulator 1.45
PLC Ladder Simulator 1.44
PLC Ladder Simulator 1.43
Téléchargement super rapide et sûr via l'application APKPure
Un clic pour installer les fichiers XAPK/APK sur Android!





