PLC Ladder Simulator
25.6 MB
Ukuran file
Everyone
Android 7.0+
Android OS
Tentang PLC Ladder Simulator
Pertama simulator Tangga nyata dan Arduino tangga programer untuk Android
PENTING: Sebelum Anda menggunakan aplikasi ini, silahkan lihat video tutorial tentang cara menggunakannya.
- https://youtu.be/I9X7u_z0JCA
Dalam industri PLC adalah perangkat otomatisasi yang paling penting karena perannya sebagai otak dalam menjalankan proses industri. otak ini menggunakan sintaks untuk dapat melakukan tugas-tugas dalam cara yang berurutan tertib.
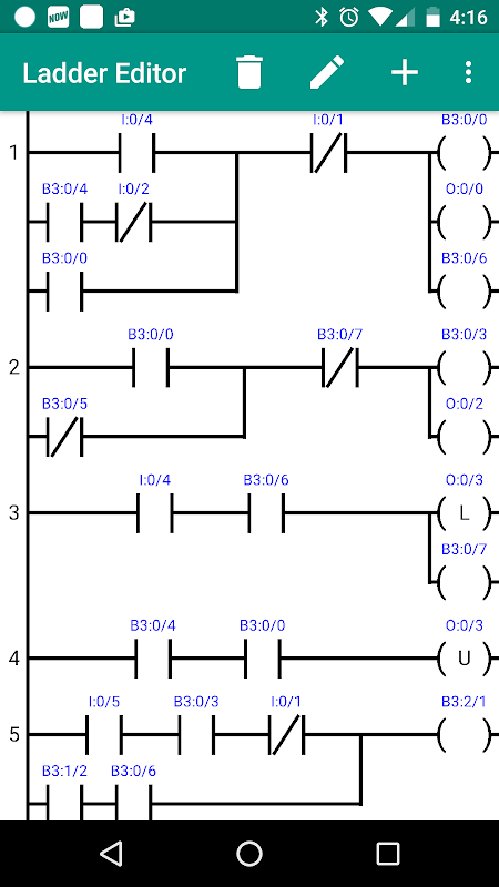
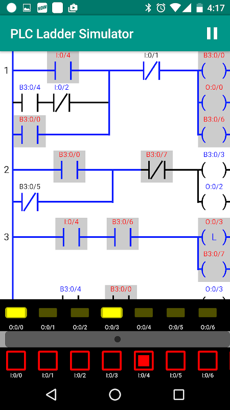
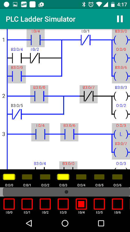
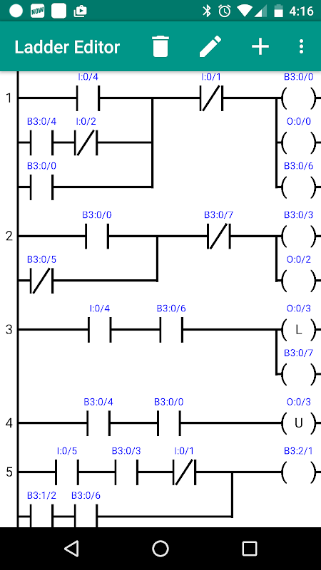
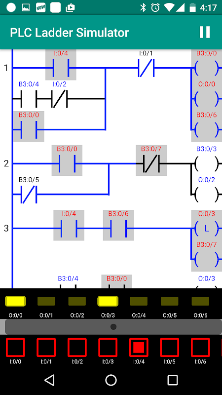
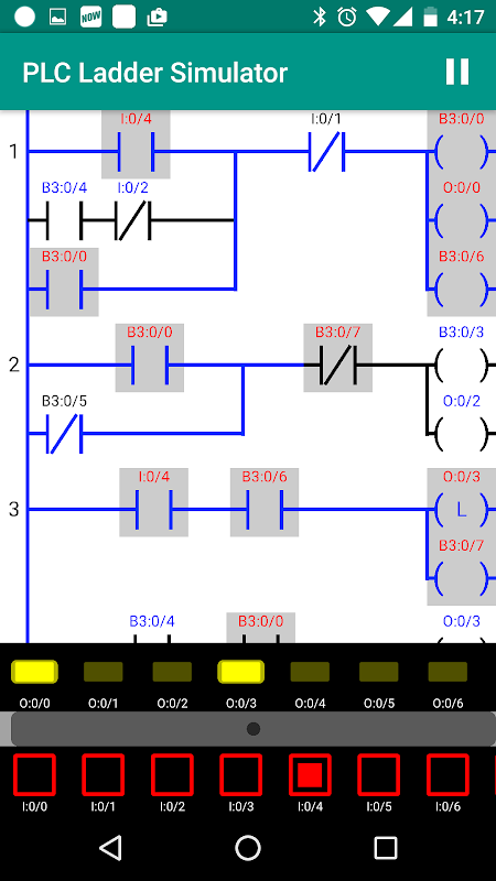
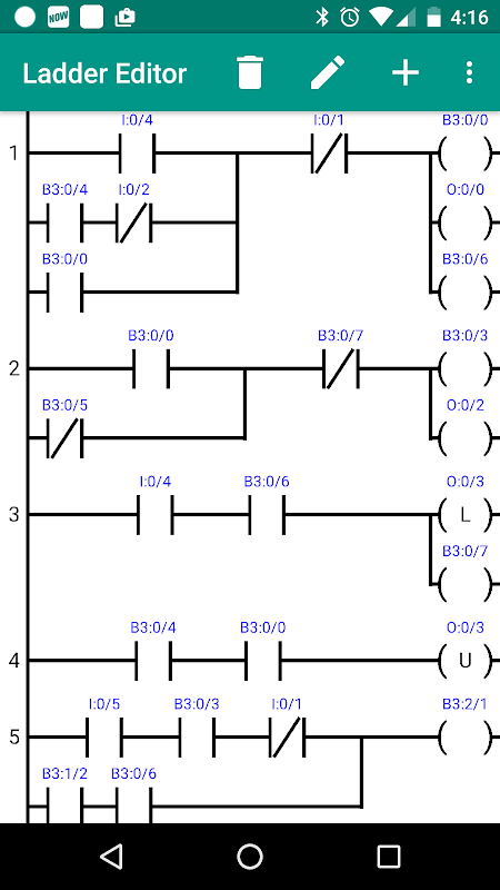
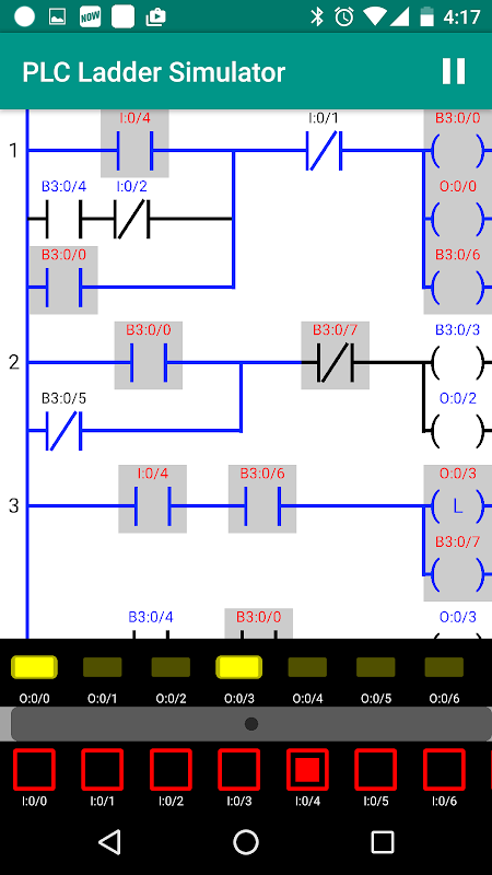
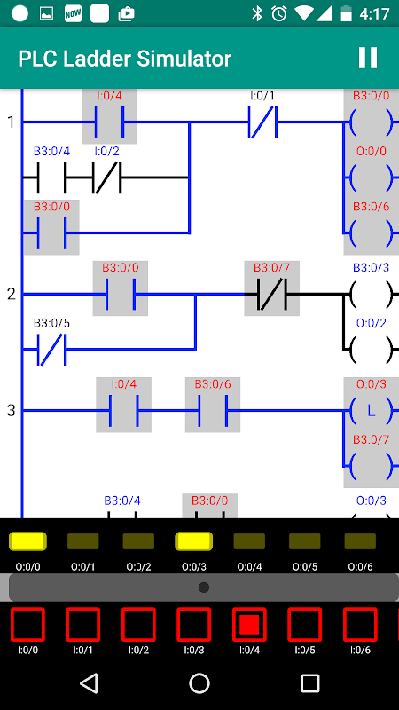
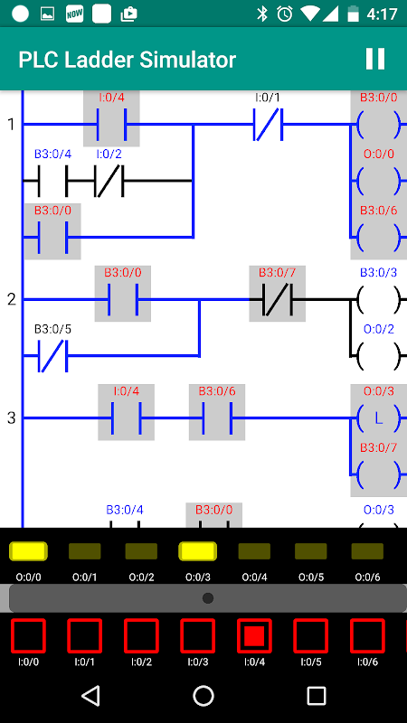
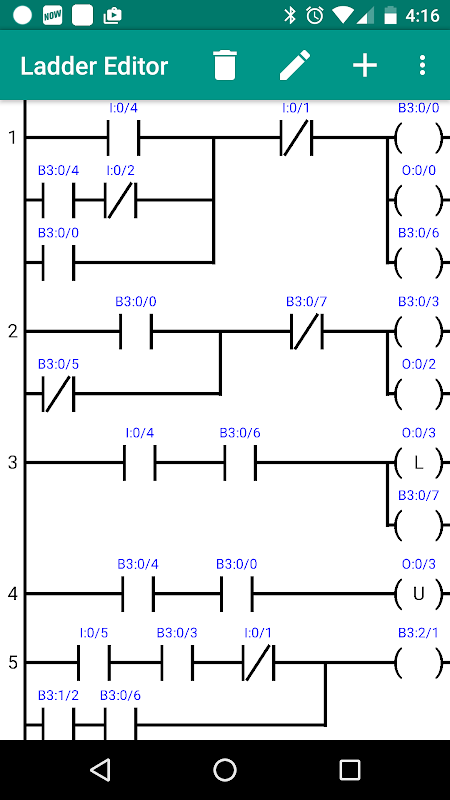
Bahasa asli dari PLC disebut “logika tangga”. tangga logika adalah grafis, dalam hal ini dapat ditata dalam bentuk yang menyerupai tangga dengan rel dan anak tangga. Ladder diagram logika dikembangkan berasal dari diagram relay sirkuit yang digunakan untuk sirkuit elektronik sebelum munculnya PLC.
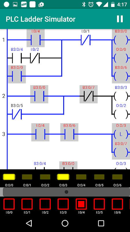
PLC Ladder Simulator adalah simulator untuk sistem operasi Android dengan objek input dan output yang mensimulasikan port I / O dari PLC nyata. Anda dapat digunakan PLC Ladder Simulator untuk membuat diagram ladder-logika menggunakan komponen dari set standar yang digunakan dalam diagram ini.
PLC Ladder Simulator fitur pilihan unik yang tersedia di dunia dan itu kemungkinan program papan Arduino dengan desain tangga menggunakan ponsel Android. Jadi sebenarnya apa yang dilakukannya adalah yang mengubah Arduino menjadi PLC (Programmable Logic Controller). Aplikasi ini menulis kode ke dalam Arduino dengan menggunakan kabel OTG USB atau modul Bluetooth.
Modus Arduino itu kompatibel dengan Arduino UNO (ATmega328) dan M5Stack ESP32.
Catatan: Aplikasi ini tidak bekerja di tablet, hanya untuk ponsel Android, Anda dapat mencobanya jika Anda ingin.
Tidak bekerja di beberapa Samsung Galaxy Tab 4.
Untuk memastikan kemungkinan bahwa aplikasi bekerja pada perangkat Anda, ikuti contoh di tutorial video.
Video Tutorial (Inggris): https://youtu.be/I9X7u_z0JCA
PLC Ladder Simulator Website: http://plcladdersimulator.weebly.com/
Jika Anda memiliki pertanyaan atau masalah, Anda dapat menghubungi saya di: [email protected]
What's new in the latest 1.46
Informasi APK PLC Ladder Simulator
Versi lama PLC Ladder Simulator
PLC Ladder Simulator 1.46
PLC Ladder Simulator 1.45
PLC Ladder Simulator 1.44
PLC Ladder Simulator 1.43
Pengunduhan Super cepat dan aman melalui aplikasi APKPure
Sekali klik untuk menginstal file XAPK/APK di Android!





