PLC Ladder Simulator
25.6 MB
파일 크기
Everyone
Android 7.0+
Android OS
PLC Ladder Simulator 정보
안드로이드에 대한 최초의 실제 래더 시뮬레이터와 아두 이노 사다리 프로그래머
중요 :이 응용 프로그램을 사용하기 전에, 그것을 사용하는 방법에 대한 튜토리얼 비디오를 참조하십시오.
- https://youtu.be/I9X7u_z0JCA
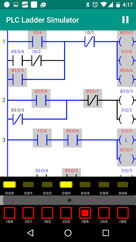
업계에서는 PLC 때문에 산업 공정을 실행하는 뇌의 역할의 가장 중요한 자동화 장치입니다. 이것은 뇌는 순서대로, 순차적으로 작업을 수행 할 수 있도록 신택스를 이용한다.
는 PLC의 모국어는 "래더 논리"라고합니다. 이 레일과 발판과 사다리 유사한 형태로 배치 할 수 있다는 점에서 래더 로직, 그래픽입니다. 래더 다이어그램의 PLC의 출현 이전에 전자 회로에 사용 된 중계 회로도에서 원래 개발되었다.
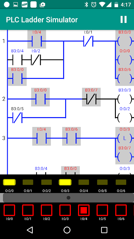
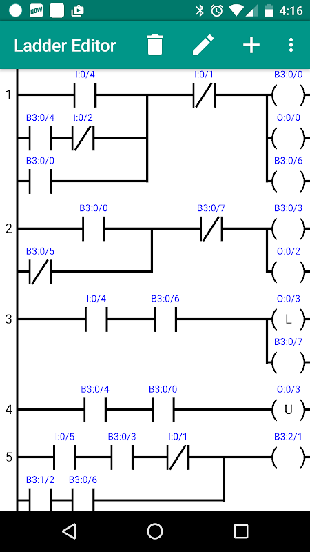
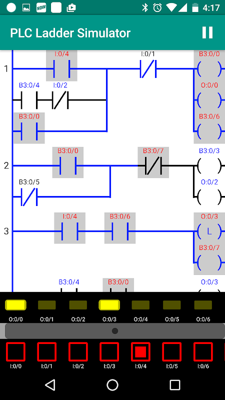
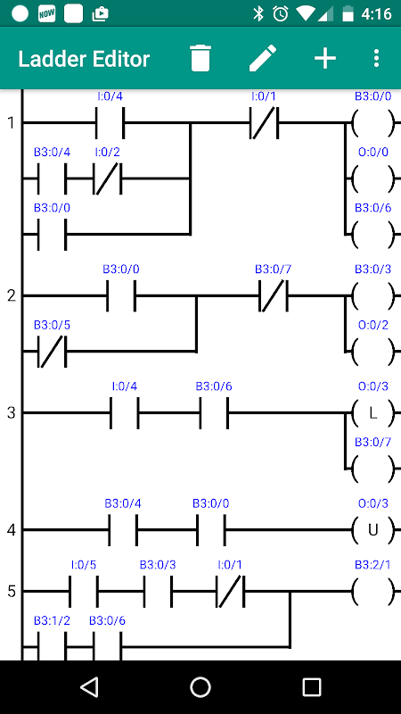
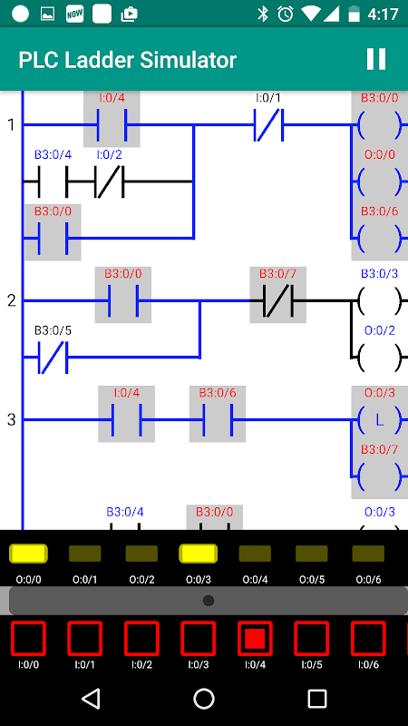
PLC 래더 시뮬레이터는 실제 PLC의 I / O 포트를 시뮬레이션 입력 및 출력 물체로 안드로이드 운영 시스템을위한 시뮬레이터입니다. 이러한 다이어그램에서 사용되는 표준 세트에서 구성 요소를 사용하여 래더 로직 다이어그램을 생성 할 PLC 래더 시뮬레이터를 사용 할 수 있습니다.
PLC 래더 시뮬레이터는 세계에서 사용할 수있는 고유의 옵션을 갖추고 있으며,이 프로그램의 가능성 안드로이드 전화를 사용 사다리의 디자인과 아두 이노 보드입니다. 그래서 실제로 무엇을하는 일은 그는 PLC (프로그래머블 로직 컨트롤러)에 아두 이노를 변환합니다. 이 앱은 USB의 OTG 케이블이나 블루투스 모듈을 사용하여 아두 이노에 코드를 작성합니다.
아두 이노 모드는 아두 이노 UNO (atmega328)과 M5Stack ESP32과 호환.
참고 :이 응용 프로그램은 당신이 원하는 경우 시도 할 수 있습니다 만 안드로이드 폰, 태블릿에서 작동하지 않습니다.
그것은 몇 가지 삼성 갤럭시 탭 4에서 작동하지 않습니다.
앱이 사용자의 기기에서 작동 가능성을 보장하기 위해, 비디오 자습서의 예를 따르십시오.
비디오 자습서 (영어) : https://youtu.be/I9X7u_z0JCA
PLC 래더 시뮬레이터 웹 사이트 : http://plcladdersimulator.weebly.com/
[email protected] : 당신이 어떠한 질문이나 문제가있는 경우, 당신은 저에게 연락 할 수 있습니다





