PLC Ladder Simulator
25.6 MB
Dimensione
Everyone
Android 7.0+
Android OS
Informazioni su PLC Ladder Simulator
Il primo simulatore vero Ladder e Arduino scaletta programmatore per Android
IMPORTANTE: Prima di utilizzare questa applicazione, si prega di vedere il video tutorial su come usarlo.
- https://youtu.be/I9X7u_z0JCA
Nell'industria il PLC è il più importante dispositivo di automazione per il suo ruolo come il cervello nella gestione dei processi industriali. Questo cervello utilizza una sintassi per essere in grado di eseguire compiti in maniera sequenziale ordinata.
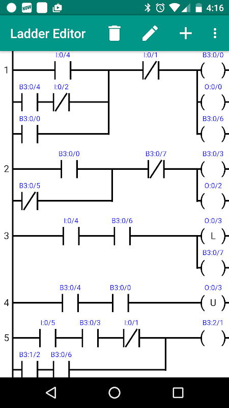
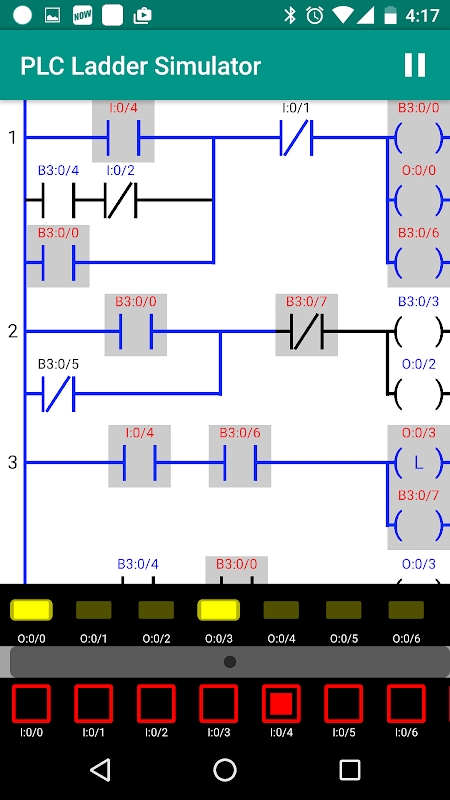
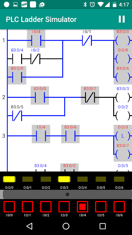
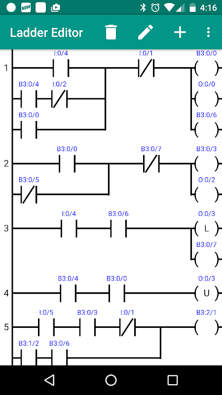
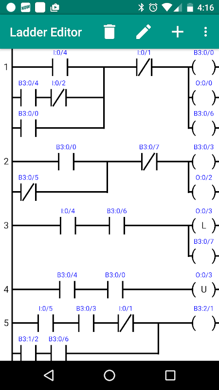
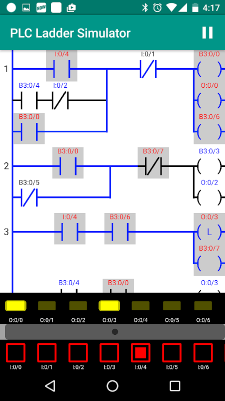
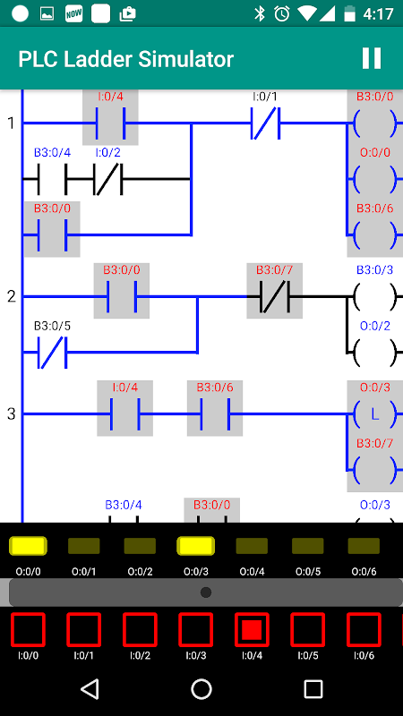
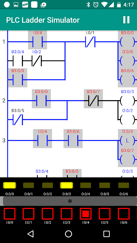
La lingua madre del PLC è chiamato “logica ladder”. logica ladder è grafico, nel senso che può essere posato in una forma che assomiglia a una scala con rotaie e pioli. diagrammi logici ladder stati sviluppati originariamente dai diagrammi relè circuiti che sono stati utilizzati per circuiti elettronici prima dell'avvento di PLC.
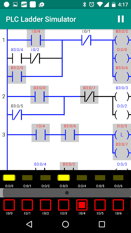
PLC Ladder Simulator è un simulatore per il sistema operativo Android con oggetti ingresso e di uscita che simulano le porte I / O di un PLC reale. È possibile utilizzare PLC Ladder Simulator per creare diagrammi di logica ladder che utilizzano componenti dal set standard utilizzata in questi schemi.
PLC Ladder Simulator offre una possibilità unica disponibile nel mondo ed è la possibilità di programmare un'Arduino con un design scala utilizzando un telefono Android. Quindi, in realtà ciò che fa è che trasforma un Arduino in un PLC (Programmable Logic Controller). L'applicazione scrive un codice in Arduino utilizzando un cavo OTG USB o un modulo Bluetooth.
La modalità di Arduino è compatibile con Arduino UNO (ATmega328) e il M5Stack ESP32.
Nota: Questa applicazione non funziona in compresse, solo per i telefoni Android, si può provare se si vuole.
Non funziona in un certo Samsung Galaxy Tab 4.
Per garantire la possibilità che l'applicazione funziona sul tuo dispositivo, seguire l'esempio nel video tutorial.
Video Tutorial (inglese): https://youtu.be/I9X7u_z0JCA
PLC Ladder Simulator Sito web: http://plcladdersimulator.weebly.com/
Se avete qualche domanda o problema, potete contattarmi all'indirizzo: [email protected]
What's new in the latest 1.46
Informazioni sull'APK PLC Ladder Simulator
Vecchie versioni di PLC Ladder Simulator
PLC Ladder Simulator 1.46
PLC Ladder Simulator 1.45
PLC Ladder Simulator 1.44
PLC Ladder Simulator 1.43
Download super veloce e sicuro tramite l'app APKPure
Basta un clic per installare i file XAPK/APK su Android!





