Über Leitfaden Verkabelung Auto
New Guide Wiring Auto abgeschlossen
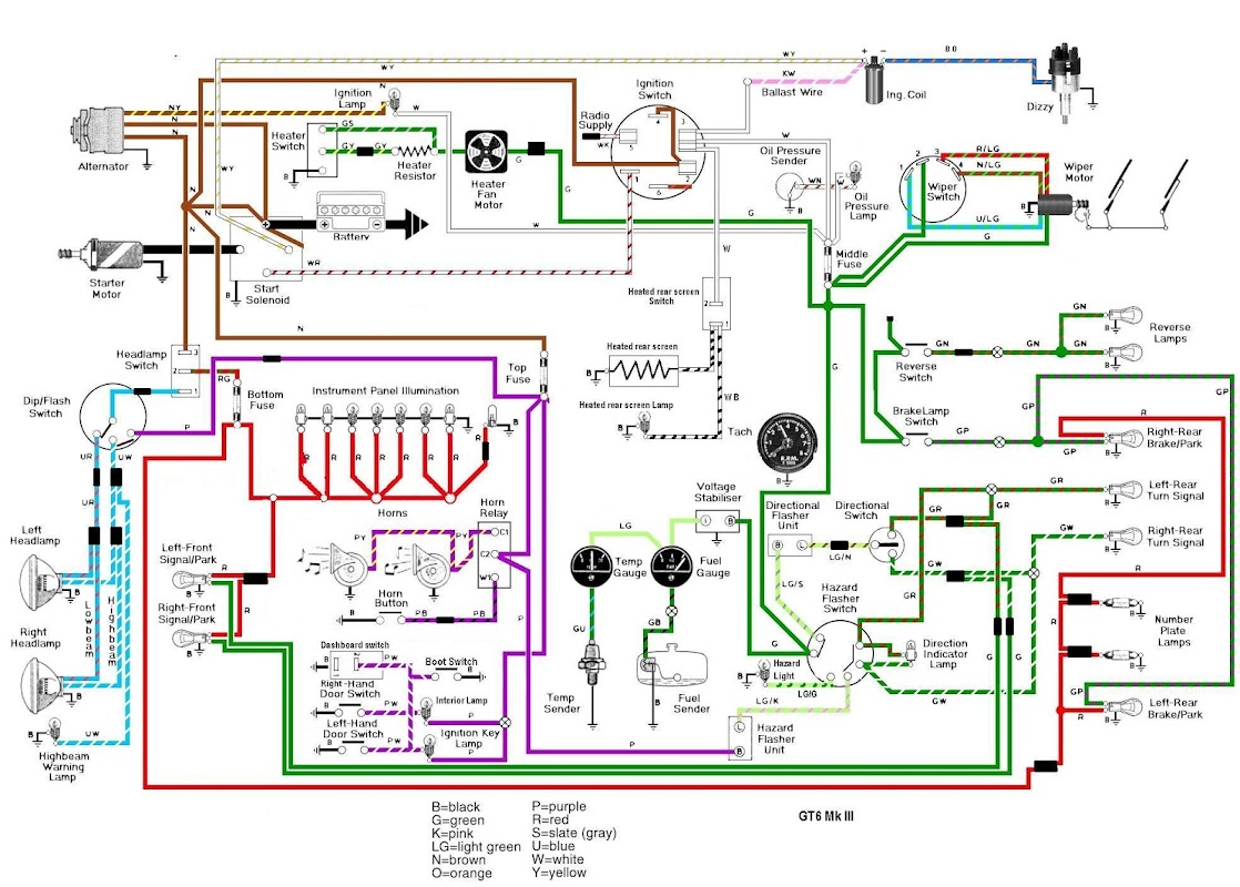
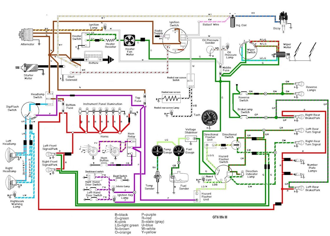
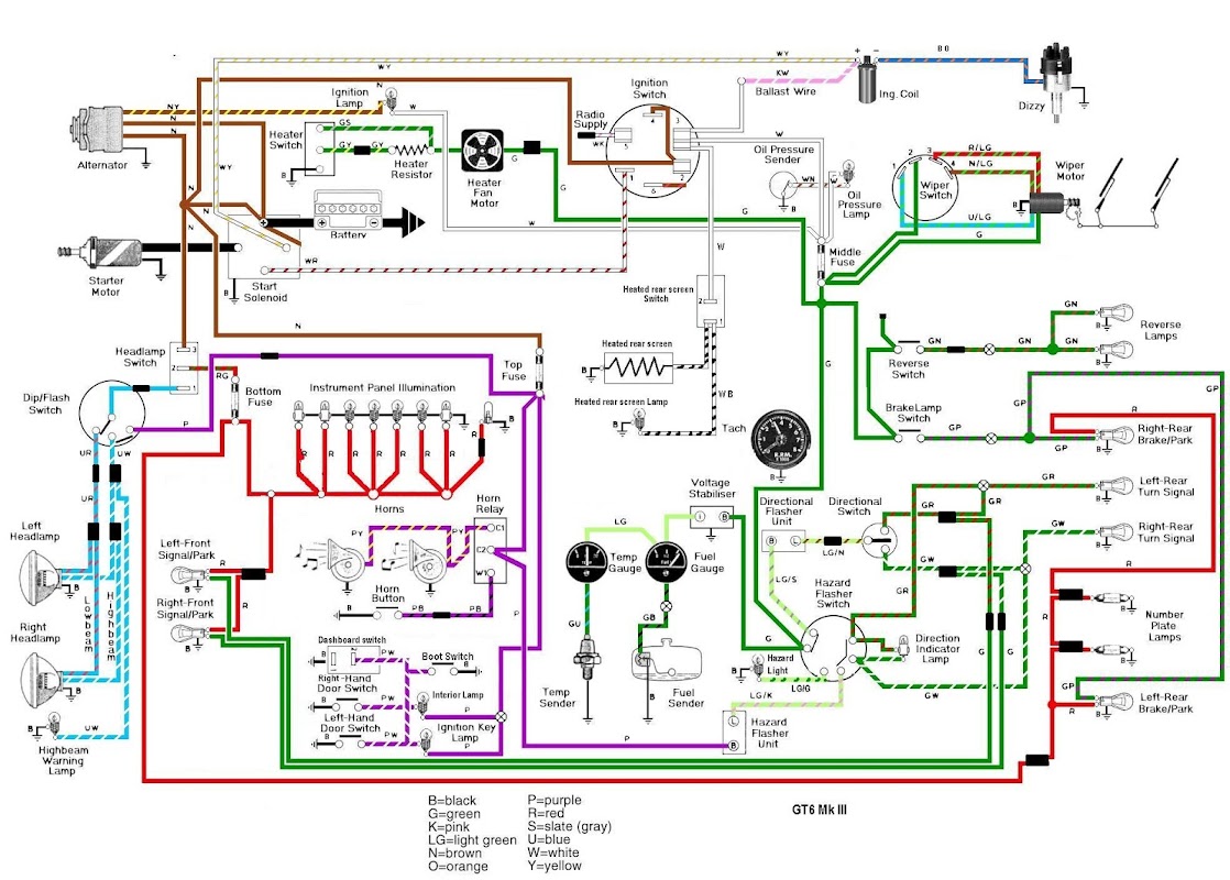
Schaltplan
Die Schaltpläne der DaimlerChrysler Corporation dienen dazu, Informationen über den Fahrzeuginhalt zu liefern. Um Fahrzeuge der DaimlerChrysler Corporation zu diagnostizieren und zu reparieren, ist es wichtig, alle Merkmale und Eigenschaften zu verstehen.
Es gibt Symbole, internationale Symbole werden in den Schaltplänen verwendet. Diese Symbole werden ständig auf der ganzen Welt verwendet.
Diese Anwendung bietet:
- Schaltplaninformationen
- Komponentenindex
- Energieverteilung
- Bodenverteilung
- Buskommunikation
- Ladesystem
- Startsystem
- Kraftstoff / Zündanlage
- Getriebesteuerungssystem
- Fahrzeuggeschwindigkeitskontrolle
- Antiblockierbremsen
- Fahrzeug Diebstahlsicherungssystem
- Instrumentengruppe
- Horn / Zigarettenanzünder / Steckdose
- Klimaanlage-Heizung
- Airbagsystem
- Innenbeleuchtung
- Körpersteuermodul
- Nachrichtenzentrale
- Audiosystem
- Heckscheibenheizung
- Überkopfkonsole
- Frontbeleuchtung
- Hintere Beleuchtung
- Blinker
- Scheibenwischer
- Anhängerschlepp
- Fensterheber
- Power Türschlösser
- Macht Spiegel
- Macht Sitze
- Leistungsschiebedach
- Spleißinformationen
- Steckerbelegungen
- Stecker / Masse / Spleißstelle
- Stromverteilungssystem
Kritik und Anregung zur Verbesserung der Anwendung.
Danke für das Herunterladen.
What's new in the latest 2.0
Leitfaden Verkabelung Auto APK -Informationen
Alte Versionen von Leitfaden Verkabelung Auto
Leitfaden Verkabelung Auto 2.0
Leitfaden Verkabelung Auto 1.0
Superschnelles und sicheres Herunterladen über die APKPure-App
Ein Klick zur Installation von XAPK/APK-Dateien auf Android!




