Over Gids bedrading auto
Nieuwe gids bedrading auto compleet
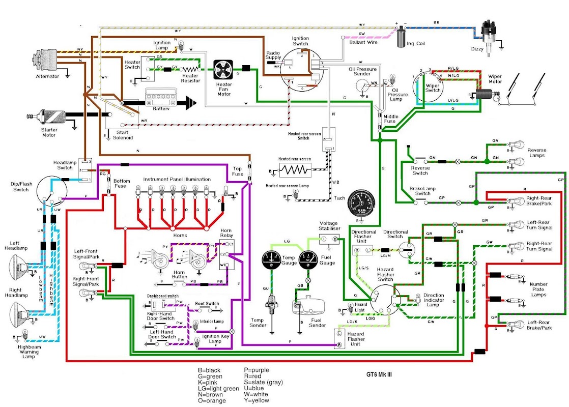
BEDRADINGSSCHEMA
De bedradingsschema's van DaimlerChrysler Corporation zijn ontworpen om informatie te geven over voertuigen met een bedradingsinhoud. Om DaimlerChrysler Corporation-voertuigen te diagnosticeren en te repareren, is het belangrijk om alle functies en kenmerken ervan te kennen.
Er zijn symbolen, internationale symbolen worden overal in de bedradingsschema's gebruikt. Deze symbolen worden overal ter wereld consequent gebruikt.
Deze applicatie biedt:
- Informatie schakelschema
- Componentindex
- Stroomverdeling
- Grondverdeling
- Buscommunicatie
- Oplaadsysteem
- Startsysteem
- Brandstof / ontstekingssysteem
- Transmissiecontrolesysteem
- Snelheidsregeling van het voertuig
- Antiblokkeerremmen
- Autodiefstalbeveiligingssysteem
- instrumentencluster
- Hoorn / sigarenaansteker / stopcontact
- Airco-verwarming
- Airbagsysteem
- Binnenverlichting
- Lichaamsbesturingsmodule
- Berichtencentrum
- Audiosysteem
- Achterruitverwarming
- Luchtconsole
- Voorverlichting
- Achterverlichting
- Draai signalen
- Wissers
- sleepkabel
- Elektrische ramen
- Elektrische deursloten
- Krachtige spiegels
- elektrische stoelen
- elektrisch schuifdak
- Splice-informatie
- Connector-pins
- Connector / grond / laslocatie
- Stroomverdeelsysteem
Kritiek en suggestie voor de verbetering van de applicatie.
Bedankt voor het downloaden.
What's new in the latest 2.0
Gids bedrading auto APK -informatie
Oude versies van Gids bedrading auto
Gids bedrading auto 2.0
Gids bedrading auto 1.0
Supersnel en veilig downloaden via de APKPure-app
Eén klik om XAPK/APK-bestanden op Android te installeren!




