O Guide Wiring Car
Kompletny nowy przewodnik okablowania samochodów
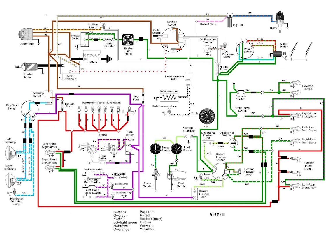
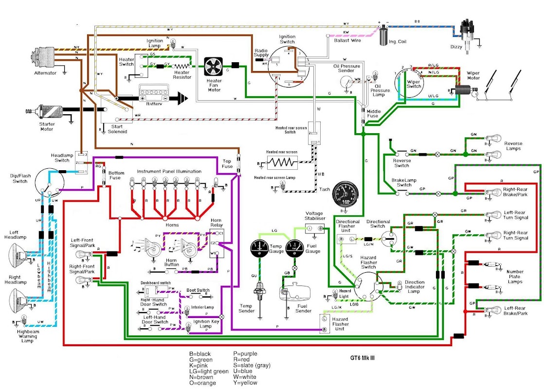
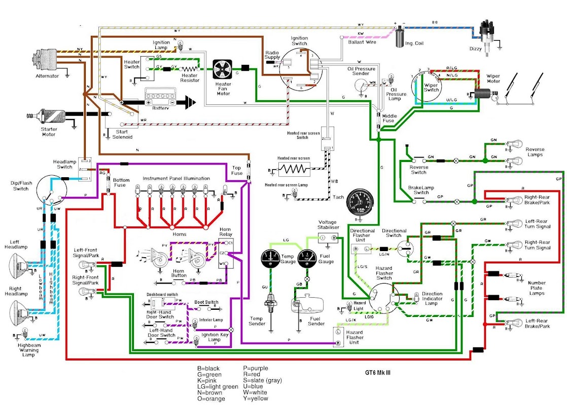
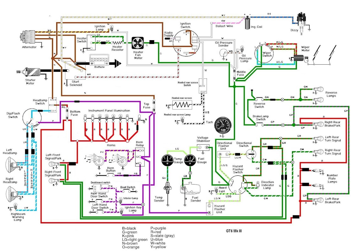
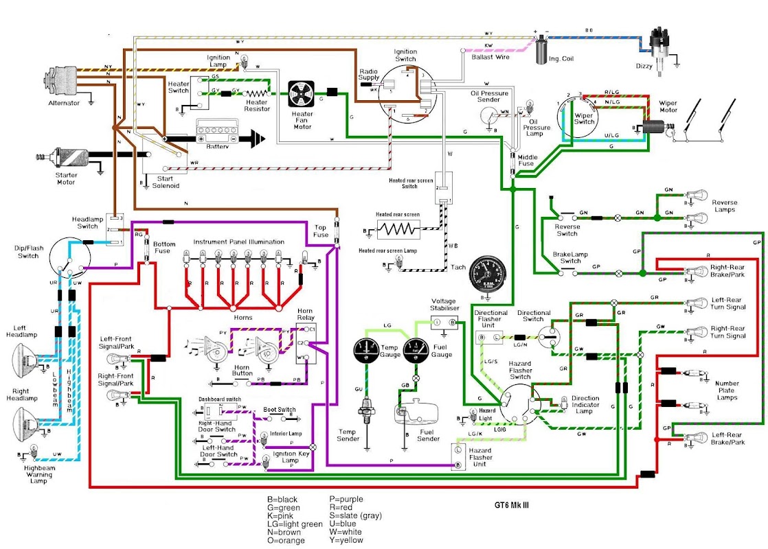
WIRING DIAGRAM
DaimlerChrysler Corporation wiring diagrams are designed to provide information regarding the vehicles wiring content. In order to effectively use the wiring diagrams to diagnose and repair DaimlerChrysler Corporation vehicles, it is important to understand all of their features and characteristics.
There are symbols,international symbols are used throughout the wiring diagrams. These symbols are consistent with those being used around the world.
This application provide:
- Wiring diagram information
- Component index
- Power distribution
- Ground distribution
- Bus communications
- Charging system
- Starting system
- Fuel/ignition system
- Transmission control system
- Vehicle speed control
- Antilock brakes
- Vehicle theft security system
- Instrument cluster
- Horn/cigar lighter/power outlet
- Air conditioning-heater
- Airbag system
- Interior lighting
- Body control module
- Message center
- Audio system
- Rear window defogger
- Overhead console
- Front lighting
- Rear lighting
- Turn signals
- Wipers
- Trailer tow
- Power windows
- Power door locks
- Power mirrors
- Power seats
- Power sunroof
- Splice information
- Connector pin-outs
- Connector/ground/splice location
- Power distribution system
Criticism and suggestion for the improvement of the application.
Thank you for downloading.
What's new in the latest 2.0
Informacje Guide Wiring Car APK
Stare wersje Guide Wiring Car
Guide Wiring Car 2.0
Guide Wiring Car 1.0
Superszybkie i bezpieczne pobieranie za pośrednictwem aplikacji APKPure
Jedno kliknięcie, aby zainstalować pliki XAPK/APK na Androidzie!




