このガイドワイヤーカーについて
新しいガイドワイヤーカーコンプリート
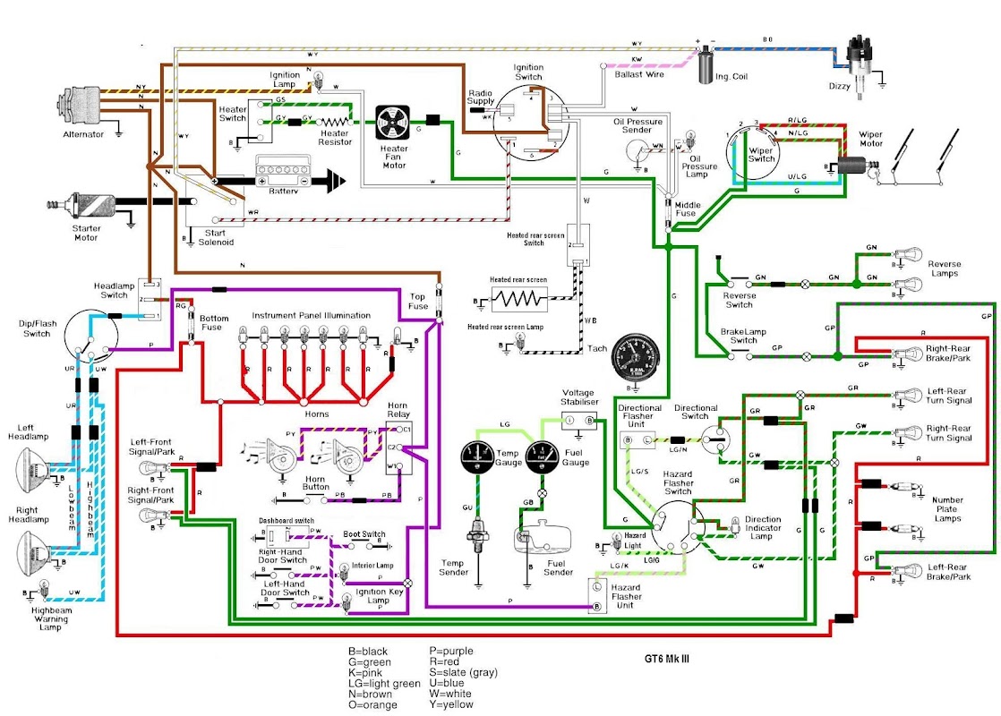
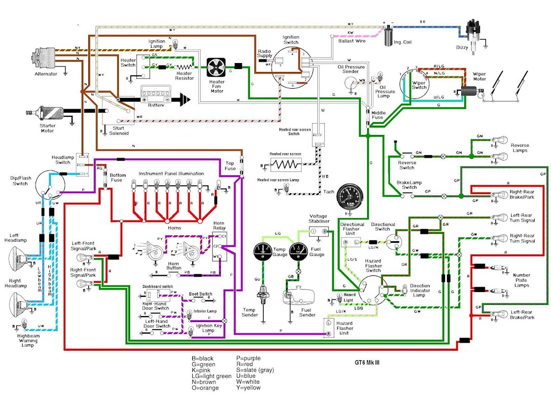
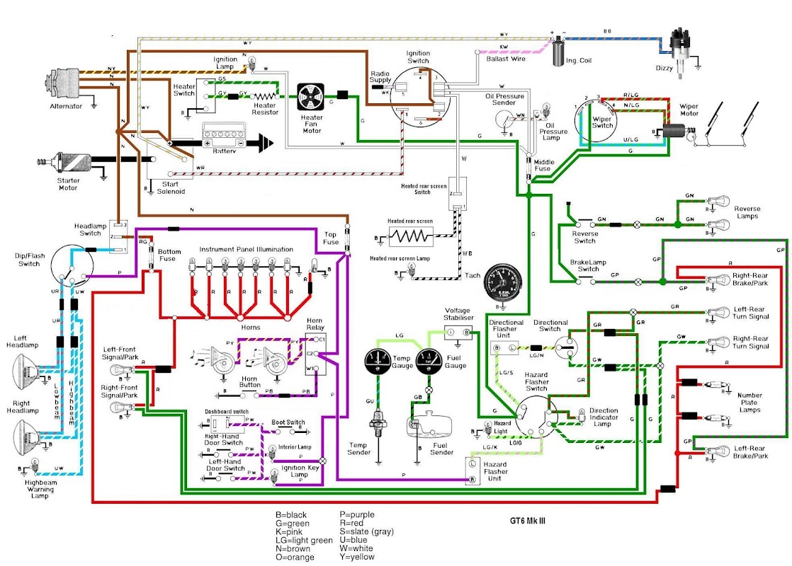
配線図
DaimlerChrysler Corporationの配線図は、配線内容の車両に関する情報を提供するように設計されています。ダイムラー・クライスラー・コーポレーションの車両を診断して修理するには、そのすべての特徴と特性を理解することが重要です。
シンボルがあり、配線図全体で国際シンボルが使用されています。これらのシンボルは世界中で常に使用されています。
このアプリケーションは以下を提供します:
- 配線図情報
- コンポーネントインデックス
- 配電
- 地上分布
- バス通信
- 充電システム
- 起動システム
- 燃料/点火システム
- トランスミッションコントロールシステム
- 車両速度制御
- アンチロックブレーキ
- 車両盗難防止システム
- 計器クラスタ
- ホーン/シガーライター/電源コンセント
- エアコン付きヒーター
- エアバッグシステム
- インテリア照明
- ボディコントロールモジュール
- メッセージセンター
- オーディオシステム
- リアウィンドウデフォッガー
- オーバーヘッドコンソール
- フロントライト
- 背面照明
- 信号を回す
- ワイパー
- トレーラートウ
- パワーウィンドウ
- パワードアロック
- パワーミラー
- パワーシート
- パワーサンルーフ
- スプライス情報
- コネクタピン配列
- コネクタ/グラウンド/スプライス位置
- 配電システム
アプリケーションの改善のための批判と提案。
ダウンロードしていただきありがとうございます。
最新バージョン 2.0 の更新情報
Last updated on 2019年03月22日
Minor bug fixes and improvements. Install or update to the newest version to check it out!
ガイドワイヤーカーの旧バージョン
ガイドワイヤーカー 2.0
16.2 MB2019年03月22日
ガイドワイヤーカー 1.0
15.0 MB2018年04月10日




