Guide de câblage de voiture
16.2 MB
Taille de fichier
Everyone
Android 2.3.2+
Android OS
À propos de Guide de câblage de voiture
Nouveau guide de câblage complet
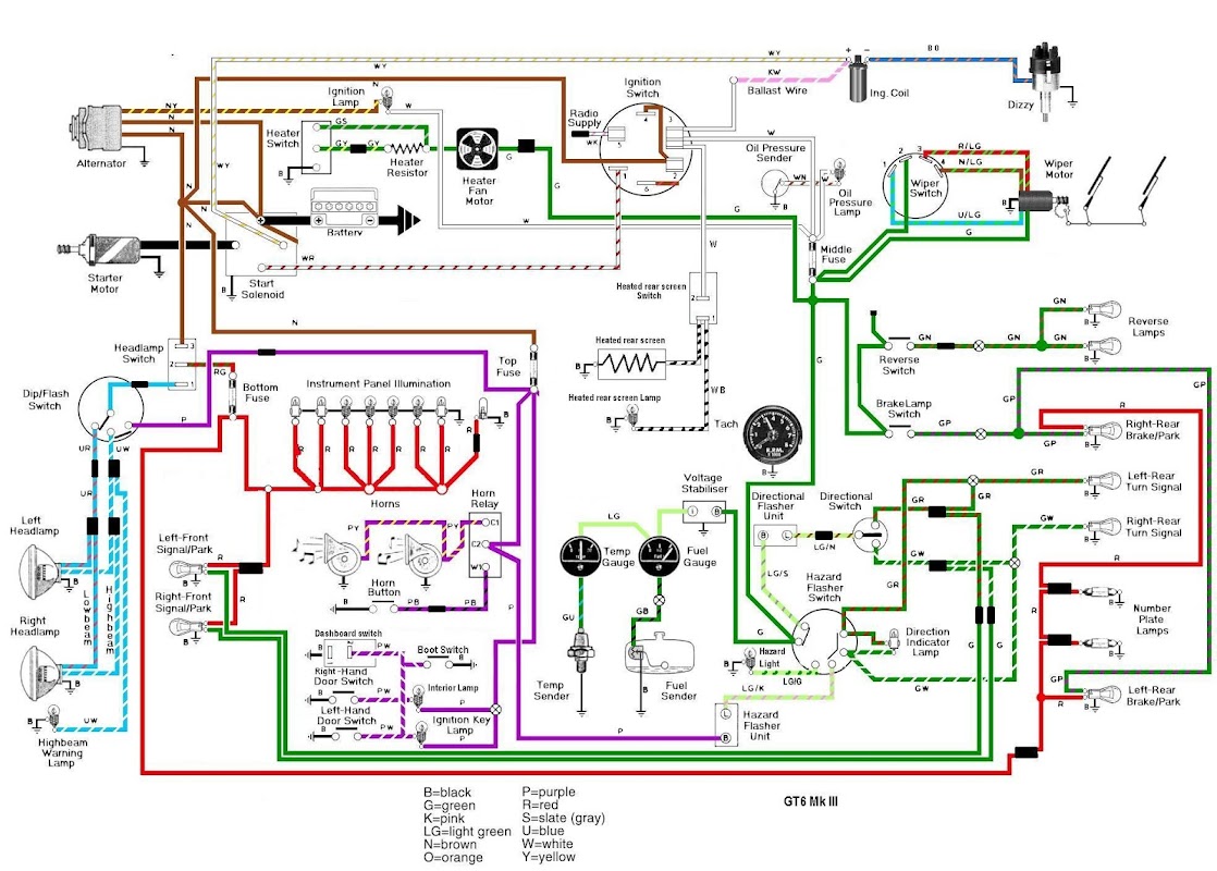
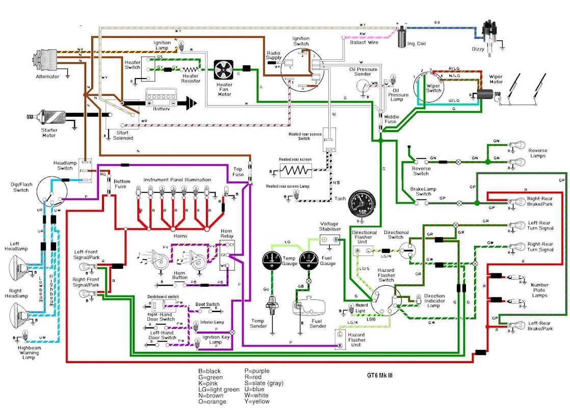
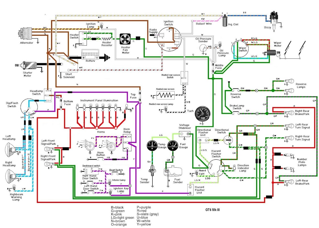
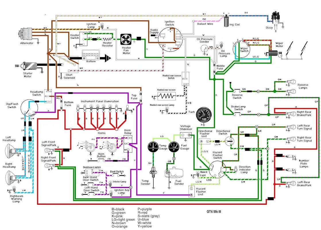
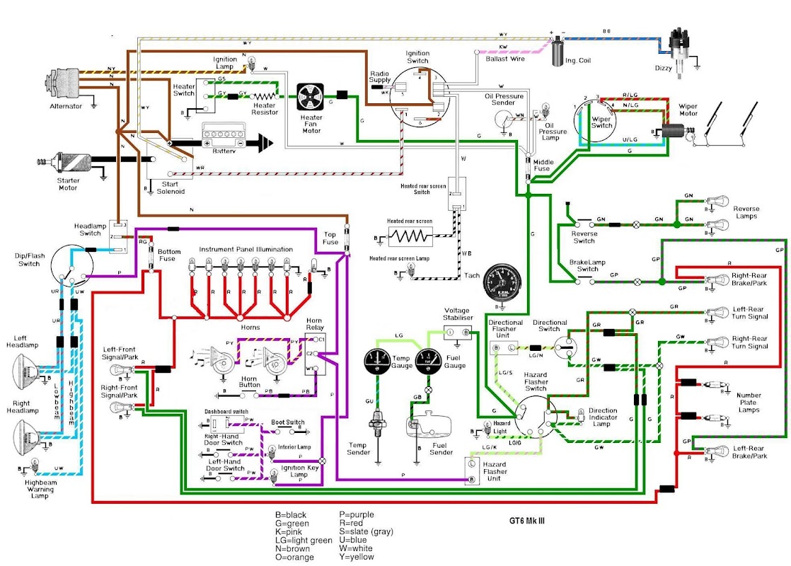
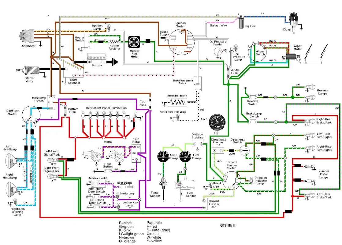
SCHÉMA DE CÂBLAGE
Les diagrammes de câblage de DaimlerChrysler Corporation sont conçus pour fournir des informations sur les véhicules à contenu de câblage. Afin de diagnostiquer et de réparer les véhicules de DaimlerChrysler Corporation, il est important de comprendre toutes ses caractéristiques et caractéristiques.
Il y a des symboles, des symboles internationaux sont utilisés dans les schémas de câblage. Ces symboles sont constamment utilisés dans le monde entier.
Cette application fournit:
- Informations sur le schéma de câblage
- Index des composants
- Distribution d'énergie
- Distribution au sol
- Communications par bus
- Système de recharge
- Système de démarrage
- Système de carburant / allumage
- Système de contrôle de la transmission
- Contrôle de vitesse du véhicule
- Freins antiblocage
- Système de sécurité de vol de véhicule
- Groupe d'instruments
- Corne / allume-cigare / prise de courant
- Air conditionné-chauffage
- Système d'airbag
- Éclairage intérieur
- Module de contrôle du corps
- Centre de messagerie
- Système audio
- Désembueur de lunette arrière
- Console au pavillon
- Éclairage avant
- Eclairage arrière
- Clignotants
- Essuie-glaces
- Remorque de remorque
- Vitres électriques
- Verrouillage des portes électriques
- Rétroviseurs électriques
- Sièges électriques
- Toit ouvrant électrique
- Informations de raccordement
- Brochage du connecteur
- Connecteur / masse / emplacement d'épissure
- Système de distribution d'énergie
Critique et suggestion pour l'amélioration de l'application.
Merci pour le téléchargement.
What's new in the latest 2.0
Informations Guide de câblage de voiture APK
Vieilles versions de Guide de câblage de voiture
Guide de câblage de voiture 2.0
Guide de câblage de voiture 1.0
Téléchargement super rapide et sûr via l'application APKPure
Un clic pour installer les fichiers XAPK/APK sur Android!




