PLC Ladder Simulator
25.6 MB
फाइल का आकार
Everyone
Android 7.0+
Android OS
PLC Ladder Simulator के बारे में
पहली वास्तविक सीढ़ी सिम्युलेटर और Android के लिए Arduino सीढ़ी programer
महत्वपूर्ण: इस एप्लिकेशन का उपयोग, कृपया यह कैसे उपयोग करने पर ट्यूटोरियल वीडियो देखें।
- https://youtu.be/I9X7u_z0JCA
उद्योग में पीएलसी औद्योगिक प्रक्रियाओं को चलाने में मस्तिष्क के रूप में अपनी भूमिका की वजह से सबसे महत्वपूर्ण स्वचालन उपकरण है। यह मस्तिष्क एक सिंटैक्स का उपयोग करता एक व्यवस्थित, अनुक्रमिक तरीके से कार्य करने में सक्षम होने की।
पीएलसी की मूल भाषा "सीढ़ी तर्क" कहा जाता है। में है कि यह एक रूप है कि रेल और पायदान के साथ एक सीढ़ी जैसा दिखता में बाहर रखी जा सकती है, सीढ़ी तर्क, चित्रमय है। सीढ़ी तर्क आरेख रिले सर्किट आरेख कि PLCs के आगमन से पहले इलेक्ट्रॉनिक सर्किट के लिए इस्तेमाल किया गया मूल रूप से विकसित किए गए।
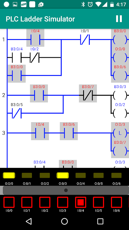
पीएलसी सीढ़ी सिम्युलेटर इनपुट और आउटपुट वस्तुओं कि अनुकरण एक असली पीएलसी की आई / ओ पोर्ट के साथ एंड्रॉयड ऑपरेटिंग सिस्टम के लिए एक सिम्युलेटर है। आप मानक इन चित्र में इस्तेमाल किया सेट से घटकों का उपयोग सीढ़ी-तर्क आरेख बनाने के लिए पीएलसी सीढ़ी सिम्युलेटर का इस्तेमाल किया जा सकता है।
पीएलसी सीढ़ी सिम्युलेटर दुनिया में उपलब्ध एक अद्वितीय विकल्प प्रदान करता है और यह कार्यक्रम करने की संभावना एक Android फोन का उपयोग कर एक सीढ़ी डिजाइन के साथ एक Arduino बोर्ड है। तो वास्तव में क्या यह होता है कि एक पीएलसी (निर्देशयोग्य तर्क नियंत्रक) में एक Arduino बदल देती है। एप्लिकेशन एक यूएसबी OTG केबल या एक ब्लूटूथ मॉड्यूल का उपयोग करके Arduino में एक कोड लिखते हैं।
Arduino मोड यह Arduino संयुक्त राष्ट्र संघ (ATmega328) और M5Stack ESP32 के साथ संगत है।
ध्यान दें: इस एप्लिकेशन को गोलियों में काम नहीं करता है, केवल Android फोन के लिए, आप आप करना चाहते हैं तो यह कोशिश कर सकते हैं।
यह कुछ Samsung Galaxy Tab 4 में काम नहीं करता।
संभावना है कि एप्लिकेशन आपके डिवाइस पर काम करता है सुनिश्चित करने के लिए वीडियो ट्यूटोरियल में उदाहरण का पालन करें।
वीडियो ट्यूटोरियल (अंग्रेजी): https://youtu.be/I9X7u_z0JCA
पीएलसी सीढ़ी सिम्युलेटर वेबसाइट: http://plcladdersimulator.weebly.com/
[email protected]: आप किसी भी प्रश्न या समस्या है, तो आप मुझ पर संपर्क कर सकते हैं
What's new in the latest 1.46
PLC Ladder Simulator APK जानकारी
PLC Ladder Simulator के पुराने संस्करण
PLC Ladder Simulator 1.46
PLC Ladder Simulator 1.45
PLC Ladder Simulator 1.44
PLC Ladder Simulator 1.43
APKPure ऐप के माध्यम से सुपर तेज़ और सुरक्षित डाउनलोडिंग
एंड्रॉइड पर XAPK/APK फ़ाइलें इंस्टॉल करने के लिए एक-क्लिक करें!





