Wiring Diagram Star Delta সম্পর্কে
App Free, Download Now!!!
Electric Installation, Electric Cable, Law, Hardware, Toroidal transformer, Electrical Engineering, Electric Circuit Diagram, Motorcycle, Own Artificial.
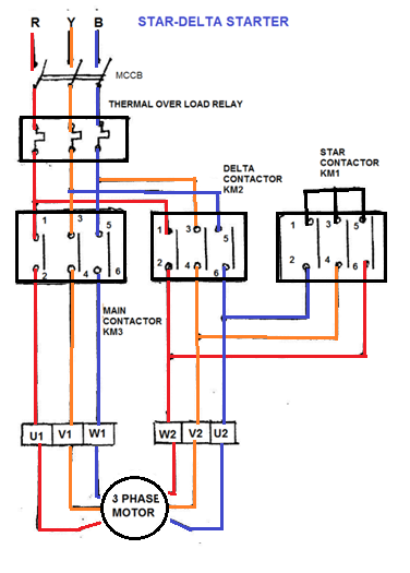
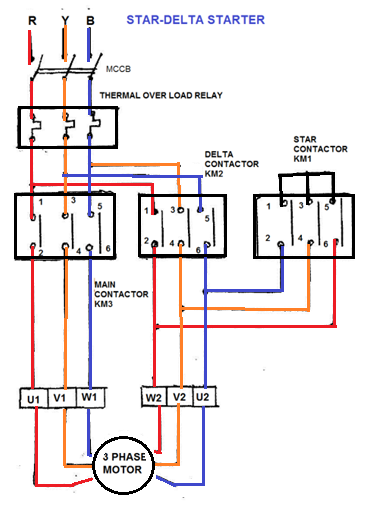
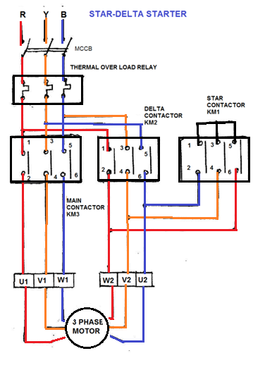
Star Delta or Star-Triangle series is one of 3 ph electromotor starter systems aimed at minimizing the current spikes that occur when the electro motor is operated (Starting).
Category:
sketch of wiring star delta diagram
Star Delta Wiring Diagram
Star Delta Network Wiring Diagram for Starting 3Ph Motor
Using Star-Delta Motor Control (With Circuit Diagram)
wiring diagram of a delta star connection in a 3 phase induction motor
Star delta motor connection.
- Free apps
- Offline and Online App
- Small size
You can find the best and modern designs about the free Star Delta Wiring Diagram app. Download now ...
What's new in the latest 1.0
Wiring Diagram Star Delta APK Information
Wiring Diagram Star Delta এর পুরানো সংস্করণ
Wiring Diagram Star Delta 1.0
গত ২৪ ঘন্টায় সর্বাধিক জনপ্রিয় অ্যাপগুলি
APKPure অ্যাপের মাধ্যমে অতি দ্রুত এবং নিরাপদ ডাউনলোড করা হচ্ছে
Android-এ XAPK/APK ফাইল ইনস্টল করতে এক-ক্লিক করুন!






