Wiring Diagram Star Delta hakkında
Uygulama Ücretsiz, Şimdi İndir !!!
Electric Installation, Electric Cable, Law, Hardware, Toroidal transformer, Electrical Engineering, Electric Circuit Diagram, Motorcycle, Own Artificial.
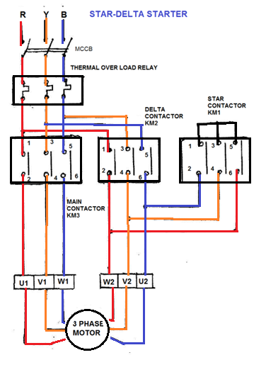
Star Delta or Star-Triangle series is one of 3 ph electromotor starter systems aimed at minimizing the current spikes that occur when the electro motor is operated (Starting).
Category:
sketch of wiring star delta diagram
Star Delta Wiring Diagram
Star Delta Network Wiring Diagram for Starting 3Ph Motor
Using Star-Delta Motor Control (With Circuit Diagram)
wiring diagram of a delta star connection in a 3 phase induction motor
Star delta motor connection.
- Free apps
- Offline and Online App
- Small size
You can find the best and modern designs about the free Star Delta Wiring Diagram app. Download now ...
What's new in the latest 1.0
Wiring Diagram Star Delta APK Bilgileri
Wiring Diagram Star Delta'in eski sürümleri
Wiring Diagram Star Delta 1.0
APK Uygulaması ile Süper Hızlı ve Güvenli İndirme
XAPK/APK dosyalarını Android'e yüklemek için tek tıkla!






