Tentang Wiring Diagram Star Delta
Aplikasi Gratis, Unduh Sekarang !!!
Instalasi Listrik, Kabel Listrik, Hukum, Hardware, Trafo Toroidal, Teknik Elektro, Diagram Sirkuit Listrik, Motor, Buatan Sendiri.
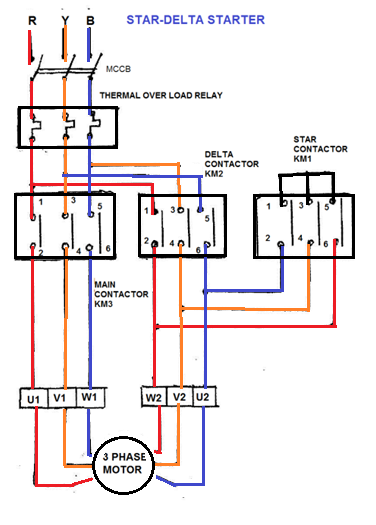
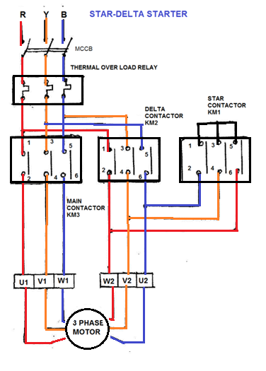
Star Delta atau Star-Triangle series adalah salah satu dari 3 sistem starter elektromotor ph yang bertujuan untuk meminimalkan lonjakan arus yang terjadi ketika motor elektro dioperasikan (Starting).
Kategori:
sketsa wiring star delta diagram
Wiring Diagram Star Delta
Star Delta Network Diagram Wiring untuk Memulai Motor 3Ph
Menggunakan Star-Delta Motor Control (Dengan Diagram Sirkuit)
wiring diagram koneksi bintang delta dalam motor induksi 3 fasa
Koneksi motor delta bintang.
- Aplikasi Gratis
- Aplikasi Offline dan Online
- Ukuran kecil
Anda dapat menemukan desain terbaik dan modern tentang aplikasi Wiring Diagram Star Delta gratis. Unduh sekarang...
What's new in the latest 1.0
Informasi APK Wiring Diagram Star Delta
Versi lama Wiring Diagram Star Delta
Wiring Diagram Star Delta 1.0
Pengunduhan Super cepat dan aman melalui aplikasi APKPure
Sekali klik untuk menginstal file XAPK/APK di Android!






