Über Wiring Diagram Star Delta
App Frei Herunterladen Jetzt !!!
Electric Installation, Electric Cable, Law, Hardware, Toroidal transformer, Electrical Engineering, Electric Circuit Diagram, Motorcycle, Own Artificial.
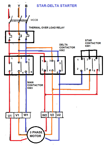
Star Delta or Star-Triangle series is one of 3 ph electromotor starter systems aimed at minimizing the current spikes that occur when the electro motor is operated (Starting).
Category:
sketch of wiring star delta diagram
Star Delta Wiring Diagram
Star Delta Network Wiring Diagram for Starting 3Ph Motor
Using Star-Delta Motor Control (With Circuit Diagram)
wiring diagram of a delta star connection in a 3 phase induction motor
Star delta motor connection.
- Free apps
- Offline and Online App
- Small size
You can find the best and modern designs about the free Star Delta Wiring Diagram app. Download now ...
What's new in the latest 1.0
Wiring Diagram Star Delta APK -Informationen
Alte Versionen von Wiring Diagram Star Delta
Wiring Diagram Star Delta 1.0
Superschnelles und sicheres Herunterladen über die APKPure-App
Ein Klick zur Installation von XAPK/APK-Dateien auf Android!






