Wiring Diagram Star Delta 정보
앱 무료 다운로드!
Electric Installation, Electric Cable, Law, Hardware, Toroidal transformer, Electrical Engineering, Electric Circuit Diagram, Motorcycle, Own Artificial.
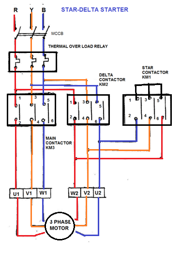
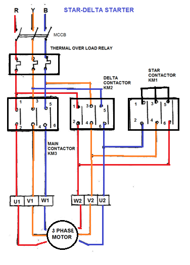
Star Delta or Star-Triangle series is one of 3 ph electromotor starter systems aimed at minimizing the current spikes that occur when the electro motor is operated (Starting).
Category:
sketch of wiring star delta diagram
Star Delta Wiring Diagram
Star Delta Network Wiring Diagram for Starting 3Ph Motor
Using Star-Delta Motor Control (With Circuit Diagram)
wiring diagram of a delta star connection in a 3 phase induction motor
Star delta motor connection.
- Free apps
- Offline and Online App
- Small size
You can find the best and modern designs about the free Star Delta Wiring Diagram app. Download now ...






