Sobre este Wiring Diagram Star Delta
App gratuito, Baixar agora !!!
Electric Installation, Electric Cable, Law, Hardware, Toroidal transformer, Electrical Engineering, Electric Circuit Diagram, Motorcycle, Own Artificial.
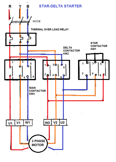
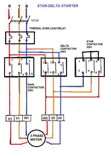
Star Delta or Star-Triangle series is one of 3 ph electromotor starter systems aimed at minimizing the current spikes that occur when the electro motor is operated (Starting).
Category:
sketch of wiring star delta diagram
Star Delta Wiring Diagram
Star Delta Network Wiring Diagram for Starting 3Ph Motor
Using Star-Delta Motor Control (With Circuit Diagram)
wiring diagram of a delta star connection in a 3 phase induction motor
Star delta motor connection.
- Free apps
- Offline and Online App
- Small size
You can find the best and modern designs about the free Star Delta Wiring Diagram app. Download now ...
Novidades em 1.0 mais recente
Informações sobre Wiring Diagram Star Delta APK
Versões Antigas de Wiring Diagram Star Delta
Wiring Diagram Star Delta 1.0
Baixar de Forma Rápida e Segura via APKPure App
Um clique para instalar arquivos XAPK/APK no Android!






