Motor Control Circuits
10.0
1 পর্যালোচনা
12.2 MB
ফাইলের আকার
Everyone
Android 6.0+
Android OS
Motor Control Circuits সম্পর্কে
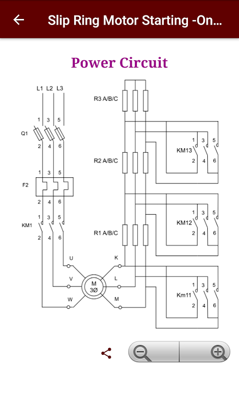
সব শুরু পদ্ধতি জন্য কন্ট্রোল এবং ক্ষমতা সার্কিট।
পদ্ধতি শুরু মোটর বৈদ্যুতিক প্রযুক্তির ক্ষেত্রে ব্যক্তি নিবেদিত তাদের বুঝতে বিভিন্ন পদ্ধতি আনয়ন মোটর শুরু করার জন্য ব্যবহার সাহায্য করার জন্য একটি মোবাইল অ্যাপ্লিকেশন।
এই অ্যাপ্লিকেশনটি ব্যবহার করতে, একটি মৌলিক জ্ঞান বৈদ্যুতিক প্রযুক্তি বাঞ্ছনীয়।
এই অ্যাপ্লিকেশনটি তিনটি পৃথক ট্যাব করার জন্য গঠিত হয় (সকল সার্কিট, একক ফেজ প্রতীক, তিন ফেজ প্রতীক)
সকল সার্কিট ট্যাব যা প্রতিটি পদ্ধতির জন্য ব্যাখ্যামূলক সঙ্গে বিভিন্ন শুরুর সার্কিট একটি তালিকা বিস্তারিত দৃশ্য ধারণ করে।
অন্য দুটি ট্যাব একক ফেজ এবং উভয় ইইউ ও মার্কিন যুক্তরাষ্ট্রে সব ডিভাইসের তিন ফেজ প্রতীক একটি তালিকা রয়েছে / মান যথাক্রমে অ্যাপ্লিকেশনে ব্যবহার করতে পারেন।
What's new in the latest 2.0
Updated the app to be compatible with latest android devices.
Motor Control Circuits APK Information
Motor Control Circuits এর পুরানো সংস্করণ
Motor Control Circuits 2.0
Motor Control Circuits 1.6
Motor Control Circuits 1.4
Motor Control Circuits 1.3.0
APKPure অ্যাপের মাধ্যমে অতি দ্রুত এবং নিরাপদ ডাউনলোড করা হচ্ছে
Android-এ XAPK/APK ফাইল ইনস্টল করতে এক-ক্লিক করুন!







