Motor Control Circuits
10.0
1 İncelemeler
12.2 MB
Dosya Boyutu
Everyone
Android 6.0+
Android OS
Motor Control Circuits hakkında
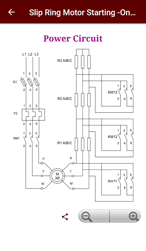
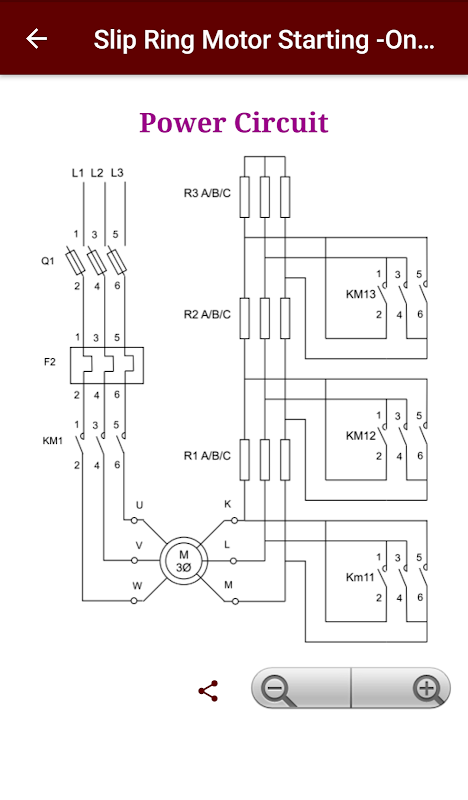
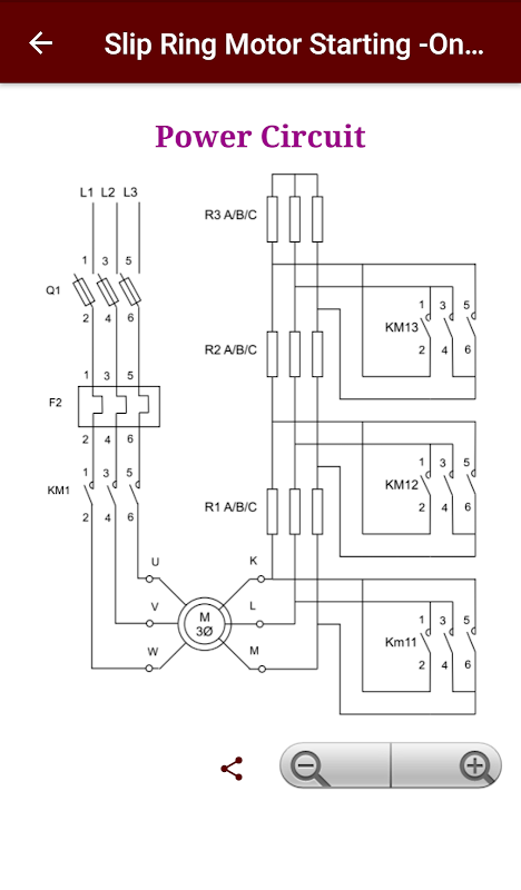
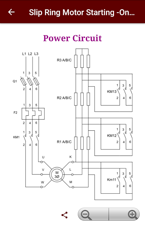
tüm başlangıç yöntemleri için Kontrol ve güç devreleri.
yöntemleri başlangıç Motorlu onları çeşitli yöntemler indüksiyon motorları başlatmak için kullanmak anlamalarına yardımcı olmak için elektrik teknolojileri alanında bireylerin adanmış bir mobil uygulamadır.
Bu uygulamayı kullanmak için, bir temel bilgi elektrik teknolojisi önerilir.
Bu uygulama, üç ayrı sekmeleri için yapılandırılmıştır (tüm devreler, tek fazlı semboller, üç fazlı semboller)
Her bir yöntem için açıklayıcı olan çeşitli başlangıç devrelerinin bir liste ayrıntılı görünümü içeren tüm devre sekmesi.
diğer iki parçayı tek fazlı ve AB ve ABD hem de tüm cihazların üç fazlı sembolü listesini içerir / standartlar sırasıyla uygulamada kullanılan CAN.
What's new in the latest 2.0
Updated the app to be compatible with latest android devices.
Motor Control Circuits APK Bilgileri
Motor Control Circuits'in eski sürümleri
Motor Control Circuits 2.0
Motor Control Circuits 1.6
Motor Control Circuits 1.4
Motor Control Circuits 1.3.0
APK Uygulaması ile Süper Hızlı ve Güvenli İndirme
XAPK/APK dosyalarını Android'e yüklemek için tek tıkla!







