Motor Control Circuits
10.0
1 Comentários
12.2 MB
Tamanho do arquivo
Everyone
Android 6.0+
Android OS
Sobre este Motor Control Circuits
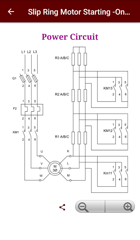
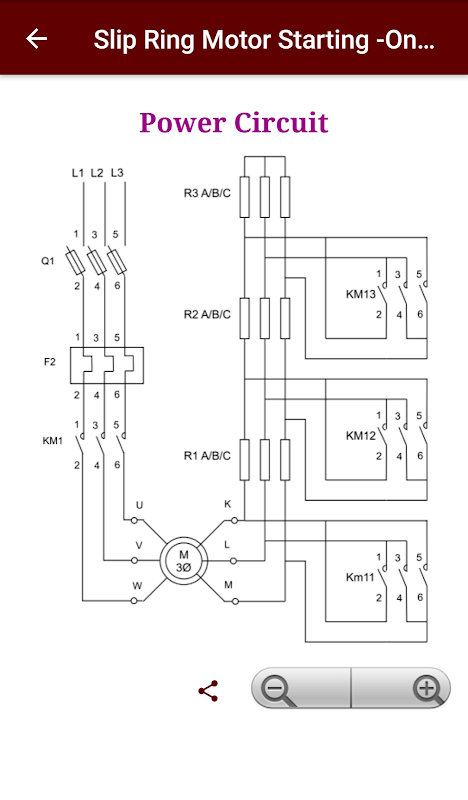
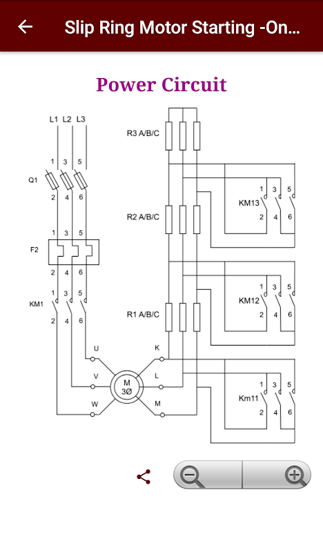
Os circuitos de controlo e de energia para todos os métodos de partida.
Motor métodos começando é uma aplicação móvel dedicada aos indivíduos no campo de tecnologias elétricas para ajudá-los a compreender os vários métodos usam para iniciar motores de indução.
Para utilizar esta aplicação, a tecnologia básica conhecimento elétrica é recomendado.
Esta aplicação é estruturado em três abas separadas (Todos os circuitos, símbolos de fase única, três símbolos de fase)
A guia circuito Todos que contém uma vista lista detalhada de vários circuitos de arranque com explicativo para cada método.
As outras duas guias contém uma lista de monofásica e trifásica símbolo de todos os dispositivos em ambos UE e os EUA / CAN padrões utilizados na aplicação respectivamente.
Novidades em 2.0 mais recente
Updated the app to be compatible with latest android devices.
Informações sobre Motor Control Circuits APK
Versões Antigas de Motor Control Circuits
Motor Control Circuits 2.0
Motor Control Circuits 1.6
Motor Control Circuits 1.4
Motor Control Circuits 1.3.0
Baixar de Forma Rápida e Segura via APKPure App
Um clique para instalar arquivos XAPK/APK no Android!







