Motor Control Circuits
10.0
1 Rezensionen
12.2 MB
Dateigröße
Everyone
Android 6.0+
Android OS
Über Motor Control Circuits
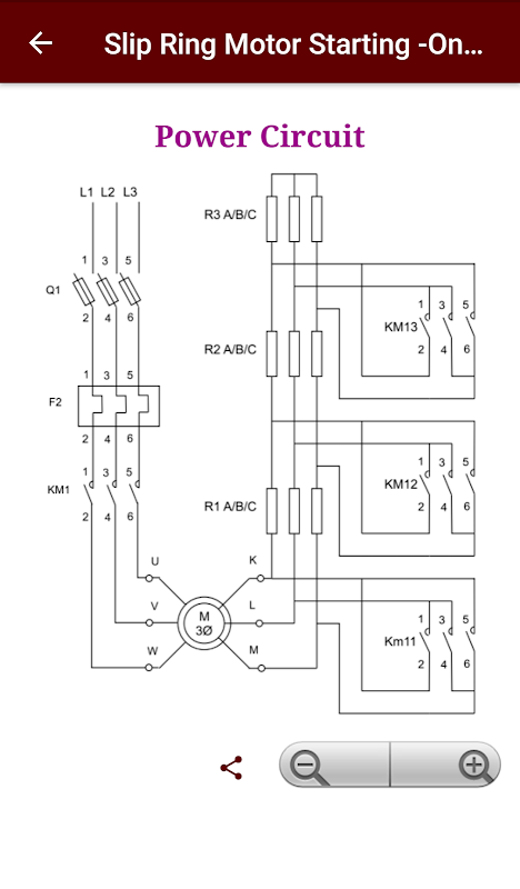
Steuerung und Stromkreise für alle Startmethoden.
Motor Methoden Start ist eine mobile Anwendung gewidmet Personen auf dem Gebiet der elektrischen Technologien ihnen die verschiedenen Methoden zum Starten Induktionsmotor nutzen zu verstehen.
Um diese Anwendung zu nutzen, Grundkenntnisse der Elektrotechnik wird empfohlen.
Diese Anwendung ist so strukturiert, um drei getrennte Lappen (alle Schaltungen, einphasig Symbole, dreiphasig Symbole)
Die alle Schaltungs Register, die für jedes Verfahren eine Liste Detailansicht verschiedenen Ausgangskreise mit Erläuternde enthalten.
Die beiden anderen Registerkarten enthält eine Liste der einzelnen und Dreiphasen Symbol für alle Geräte in der EU und der USA / CAN-Normen bzw. in der Anwendung verwendet.
What's new in the latest 2.0
Updated the app to be compatible with latest android devices.
Motor Control Circuits APK -Informationen
Alte Versionen von Motor Control Circuits
Motor Control Circuits 2.0
Motor Control Circuits 1.6
Motor Control Circuits 1.4
Motor Control Circuits 1.3.0
Superschnelles und sicheres Herunterladen über die APKPure-App
Ein Klick zur Installation von XAPK/APK-Dateien auf Android!







