このMotor Control Circuitsについて
すべての出発メソッドの制御および電源回路。
メソッドを起動するモーターは、彼らが様々な方法が誘導モータを始動するために使用理解を助けるために、電気技術の分野では、個人専用のモバイルアプリケーションです。
このアプリケーションを使用するには、基本的な知識、電気技術が推奨されます。
このアプリケーションは、3つの別々のタブに構成されている(すべての回路、単相シンボル、三個の相シンボル)
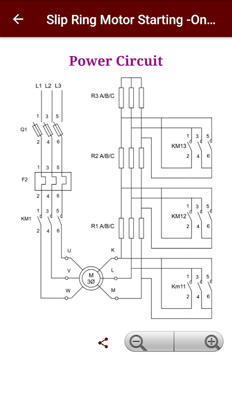
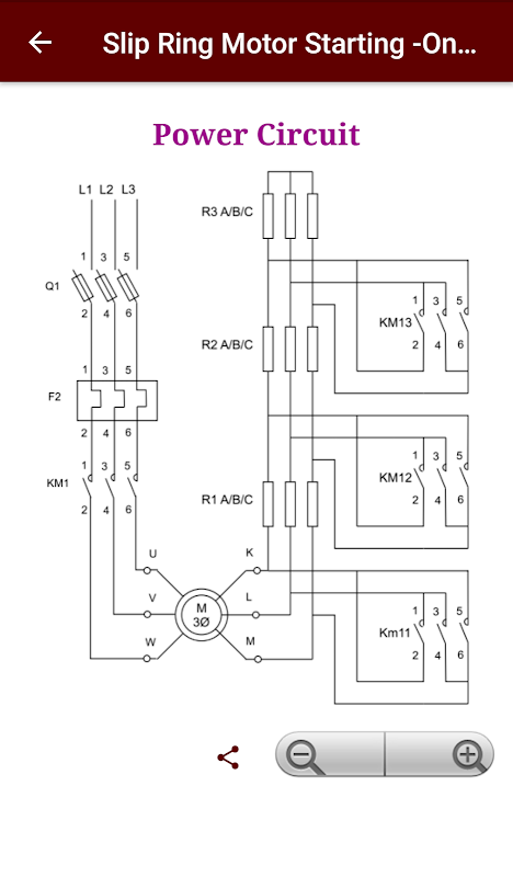
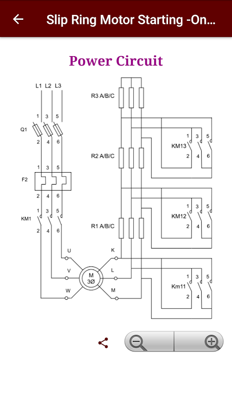
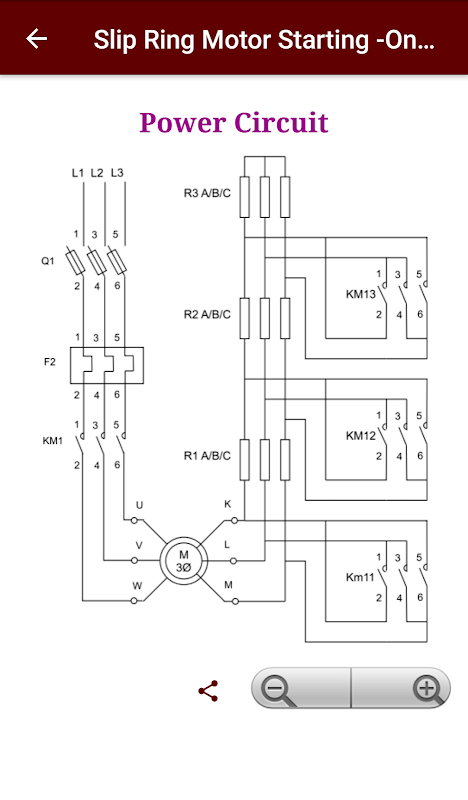
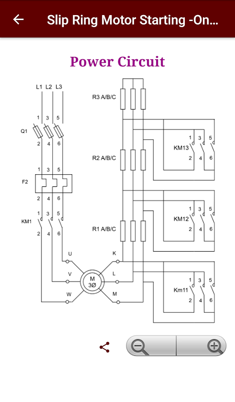
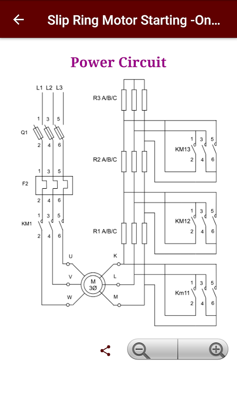
各方法の説明で種々の出発回路のリスト詳細ビューが含まれているすべての回路タブ。
他の二つのタブが単相とEUと米国の両方ですべてのデバイスの3つの相のシンボルのリストが含まれている/基準は、それぞれのアプリケーションで使用することができます。
最新バージョン 2.0 の更新情報
Last updated on 2025-11-21
Redesigned the entire app
Updated the app to be compatible with latest android devices.
Updated the app to be compatible with latest android devices.
Motor Control Circuits APK 情報
APKPure で安全で高速な APK のダウンロード
APKPure は署名検証を使用して、ウイルスフリーの Motor Control Circuits APK ダウンロードを保証します。
Motor Control Circuitsの旧バージョン
Motor Control Circuits 2.0
12.2 MB2025年11月20日
Motor Control Circuits 1.6
17.2 MB2025年08月11日
Motor Control Circuits 1.4
9.4 MB2025年04月05日
Motor Control Circuits 1.3.0
5.2 MB2019年09月23日







