Motor Control Circuits
10.0
1 Đánh giá
12.2 MB
Dung lượng tệp
Everyone
Android 6.0+
Android OS
Giới thiệu về Motor Control Circuits
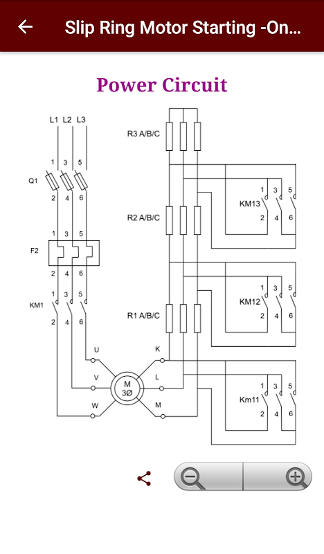
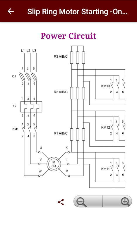
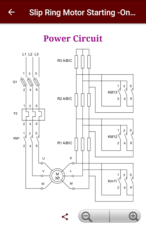
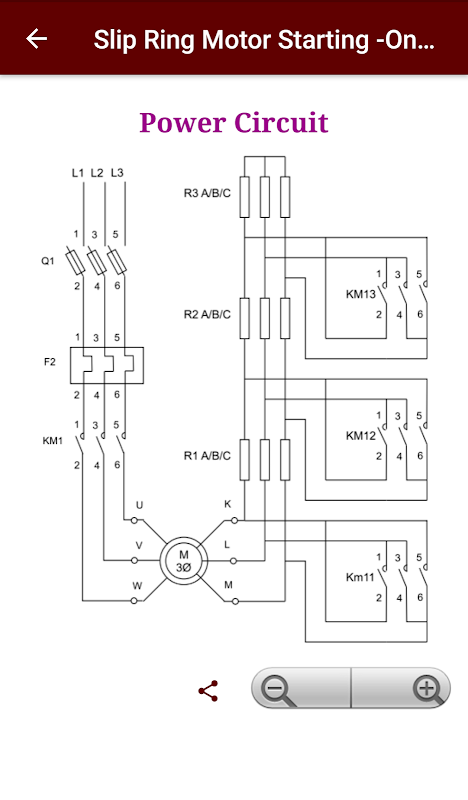
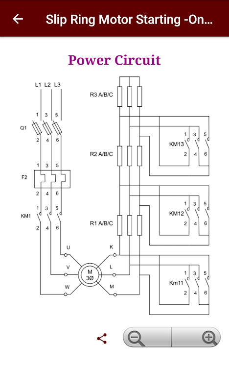
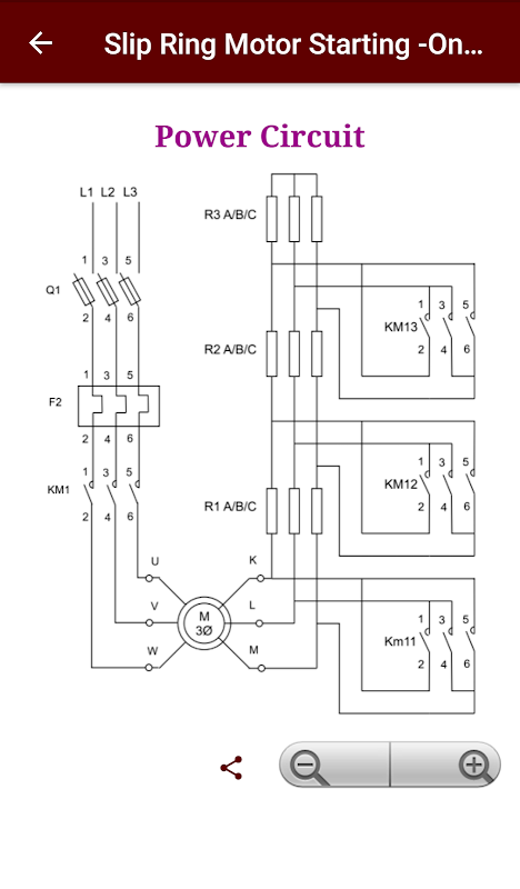
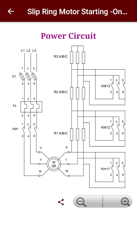
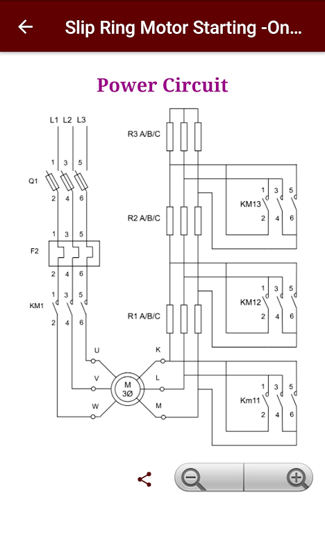
Kiểm soát và quyền lực mạch cho tất cả các phương pháp bắt đầu.
Động cơ phương pháp bắt đầu là một ứng dụng di động dành riêng cho các cá nhân trong lĩnh vực công nghệ điện để giúp họ hiểu được những phương pháp khác nhau sử dụng để khởi động động cơ cảm ứng.
Để sử dụng ứng dụng này, một công nghệ kiến thức điện cơ bản được khuyến khích.
Ứng dụng này được cấu trúc theo ba tab riêng biệt (Tất cả các mạch, biểu tượng giai đoạn duy nhất, ba biểu tượng pha)
All tab mạch, trong đó có một cái nhìn danh sách chi tiết của mạch khởi đầu khác nhau với giải thích cho từng phương pháp.
Hai tab khác chứa một danh sách giai đoạn duy nhất và biểu tượng ba giai đoạn của tất cả các thiết bị trong cả EU và Mỹ / tiêu chuẩn CAN sử dụng trong các ứng dụng tương ứng.
What's new in the latest 2.0
Updated the app to be compatible with latest android devices.
Thông tin APK Motor Control Circuits
Phiên bản cũ của Motor Control Circuits
Motor Control Circuits 2.0
Motor Control Circuits 1.6
Motor Control Circuits 1.4
Motor Control Circuits 1.3.0
Tải xuống siêu nhanh và an toàn thông qua Ứng dụng APKPure
Một cú nhấp chuột để cài đặt các tệp XAPK/APK trên Android!







