Motor Control Circuits
10.0
1 Commentaires
12.2 MB
Taille de fichier
Everyone
Android 6.0+
Android OS
À propos de Motor Control Circuits
circuits de commande et de puissance pour toutes les méthodes de démarrage.
méthodes de démarrage du moteur est une application mobile dédiée aux personnes dans le domaine des technologies électriques pour les aider à comprendre les différentes méthodes utilisent pour le démarrage des moteurs à induction.
Pour utiliser cette application, une technologie électrique de connaissances de base est recommandée.
Cette application est structuré en trois onglets séparés (Tous les circuits, les symboles à une seule phase, trois symboles de phase)
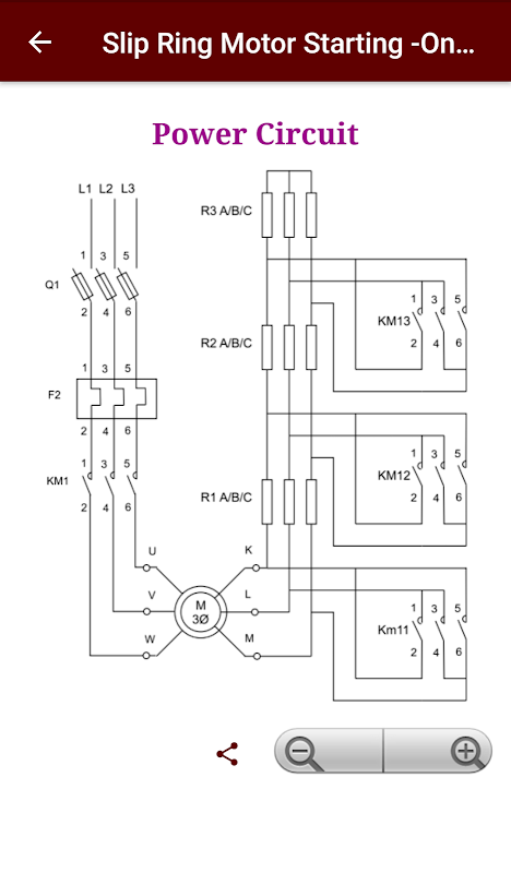
L'onglet circuit Tout ce qui contient une vue détaillée de la liste des différents circuits de départ avec explication pour chaque méthode.
Les deux autres onglets contient une liste de phase unique et symbole triphasé de tous les appareils dans l'UE et des États-Unis / normes CAN utilisées respectivement dans l'application.
What's new in the latest 2.0
Updated the app to be compatible with latest android devices.
Informations Motor Control Circuits APK
Vieilles versions de Motor Control Circuits
Motor Control Circuits 2.0
Motor Control Circuits 1.6
Motor Control Circuits 1.4
Motor Control Circuits 1.3.0
Téléchargement super rapide et sûr via l'application APKPure
Un clic pour installer les fichiers XAPK/APK sur Android!







