Motor Control Circuits
10.0
1 Ulasan
12.2 MB
Ukuran file
Everyone
Android 6.0+
Android OS
Tentang Motor Control Circuits
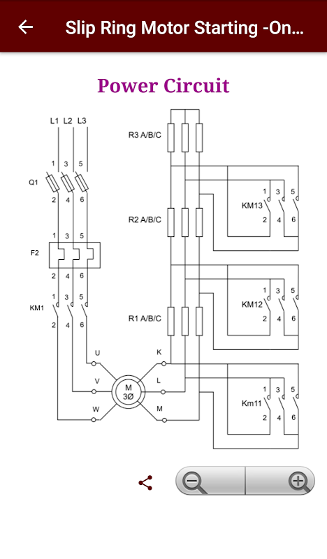
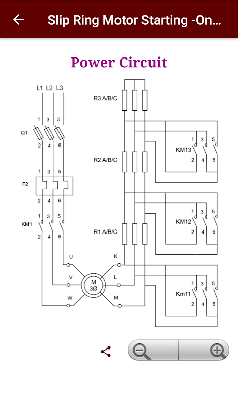
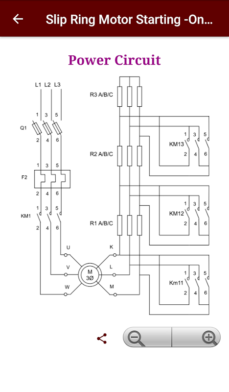
Kontrol dan kekuasaan sirkuit untuk semua metode mulai.
Motor mulai metode adalah aplikasi mobile yang didedikasikan untuk individu dalam bidang teknologi listrik untuk membantu mereka memahami berbagai metode digunakan untuk memulai motor induksi.
Untuk menggunakan aplikasi ini, teknologi pengetahuan listrik dasar dianjurkan.
Aplikasi ini disusun dalam tiga tab terpisah (Semua sirkuit, simbol fase tunggal, tiga simbol fase)
Tab Semua sirkuit yang berisi tampilan daftar detail dari berbagai sirkuit awal dengan jelas untuk setiap metode.
Dua tab lainnya berisi daftar fase tunggal dan simbol tiga fase semua perangkat di kedua Uni Eropa dan AS / BISA standar yang digunakan dalam aplikasi masing-masing.
What's new in the latest 2.0
Updated the app to be compatible with latest android devices.
Informasi APK Motor Control Circuits
Versi lama Motor Control Circuits
Motor Control Circuits 2.0
Motor Control Circuits 1.6
Motor Control Circuits 1.4
Motor Control Circuits 1.3.0
Pengunduhan Super cepat dan aman melalui aplikasi APKPure
Sekali klik untuk menginstal file XAPK/APK di Android!







