Motor Control Circuits 정보
모든 시작하는 방법에 대한 제어 및 전원 회로.
방법을 시작하는 모터들이 다양한 방법이 유도 모터를 시작하기 위해 사용 이해를 돕기 위해 전기 기술 분야에서 개인 전용 모바일 응용 프로그램입니다.
이 응용 프로그램을 사용하려면 기본 지식 전기 기술을 권장합니다.
본 출원은 세 개의 탭에 구성된다 (모든 회로, 단상 심볼 삼상 심볼)
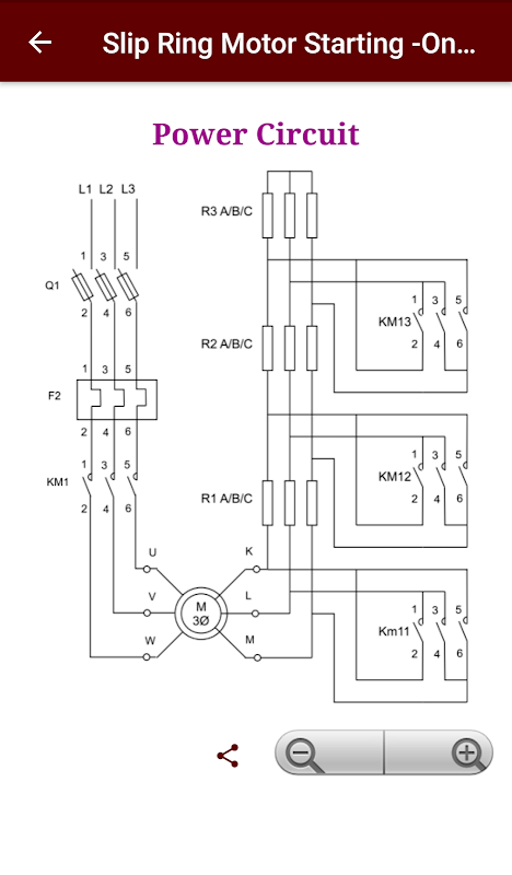
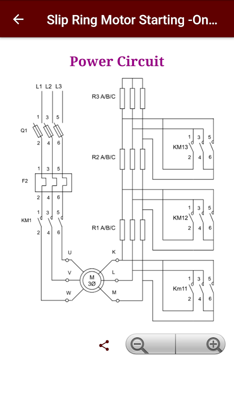
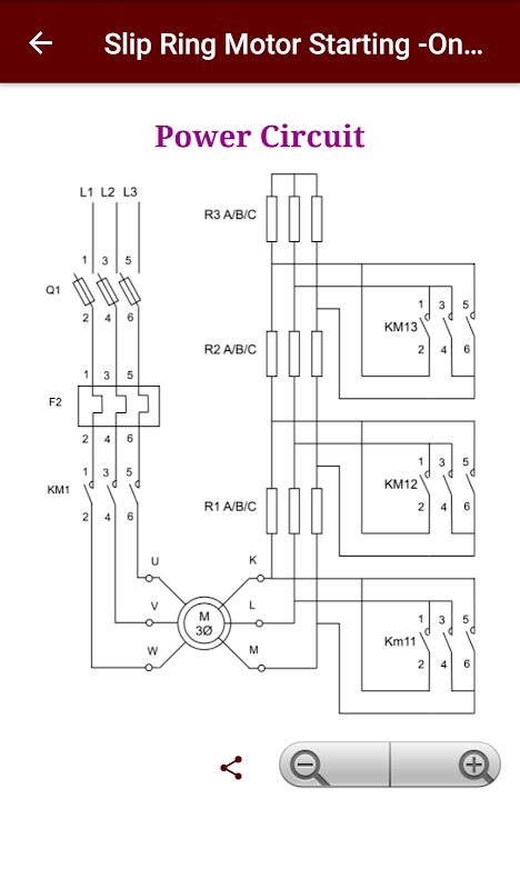
각 방법에 대한 다양한 설명 시동 회로의리스트 상세도를 포함하는 모든 회로 탭.
다른 두 개의 탭이 단상과 유럽 연합 (EU)과 미국 모두에서 모든 장치의 세 가지 상 기호의 목록이 포함 / 표준은 각각 응용 프로그램에서 사용할 수 있습니다.
What's new in the latest 2.0
Last updated on 2025-11-21
Redesigned the entire app
Updated the app to be compatible with latest android devices.
Updated the app to be compatible with latest android devices.
Motor Control Circuits apk 정보
APKPure에서 안전하고 빠른 APK 다운로드
APKPure는 바이러스 없는 Motor Control Circuits APK 다운로드를 위해 서명 확인을 사용합니다.
Motor Control Circuits의 오래된 버전
Motor Control Circuits 2.0
12.2 MBNov 20, 2025
Motor Control Circuits 1.6
17.2 MBAug 11, 2025
Motor Control Circuits 1.4
9.4 MBApr 5, 2025
Motor Control Circuits 1.3.0
5.2 MBSep 23, 2019







