Motor Control Circuits
10.0
1 Reviews
20.8 MB
File Size
Everyone
Android 6.0+
Android OS
About Motor Control Circuits
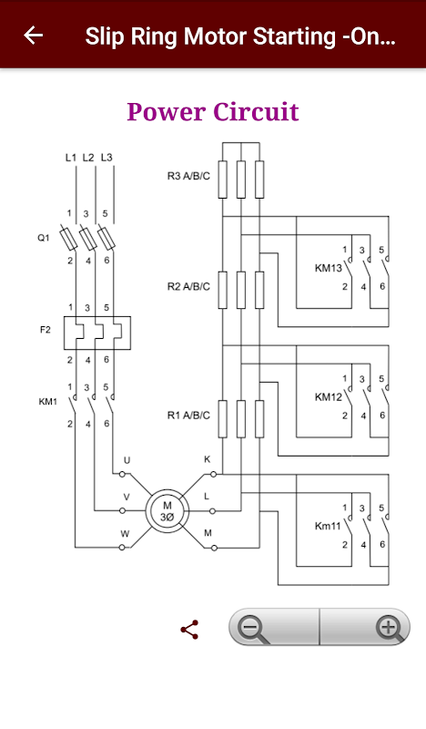
Control and power circuits for all starting methods.
Motor starting methods is a mobile application dedicated to individuals in the field of electrical technologies to help them understand the various methods use for starting induction motors.
To use this application, a basic knowledge electrical technology is recommended.
This application is structured in to three separate tabs (All circuits, single phase symbols, three phase symbols)
The All circuit tab which contains a list detail view of various starting circuits with explanatory for each method.
The other two tabs contains a list of single phase and three phase symbol of all devices in both EU and US/CAN standards used in the application respectively.
What's new in the latest 2.0
Updated the app to be compatible with latest android devices.
Motor Control Circuits APK Information
Old Versions of Motor Control Circuits
Motor Control Circuits 2.0
Motor Control Circuits 1.6
Motor Control Circuits 1.4
Motor Control Circuits 1.3.0
Super Fast and Safe Downloading via APKPure App
One-click to install XAPK/APK files on Android!







