Motor Control Circuits
10.0
1 Отзывы
12.2 MB
Размер файла
Everyone
Android 6.0+
Android OS
Oписание Motor Control Circuits
Цепи управления и питания для всех исходных методов.
Пусковой методов является мобильным приложением, посвященное физическими лицам в области электрических технологий, чтобы помочь им понять различные методы используют для пуска асинхронных двигателей.
Чтобы использовать это приложение, рекомендуется использовать основные технологии знания электрические.
Это приложение структурировано в три отдельных вкладок (Все схемы, однофазные символы, три фазы символов)
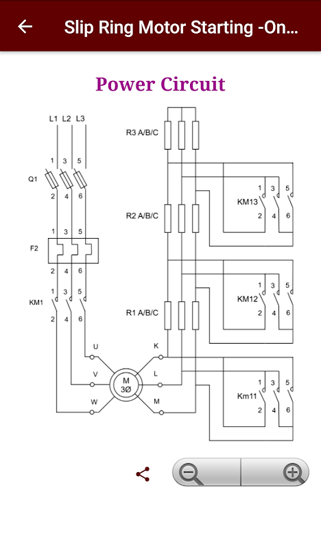
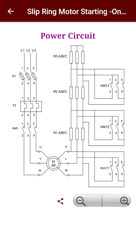
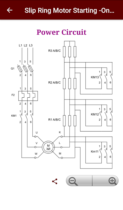
Вкладка схемы все, которая содержит Подробный список различных исходных цепей с пояснением для каждого метода.
Остальные две вкладок содержат список однофазных и трехфазного символ всех устройств как ЕС и США / CAN стандарты, используемые в приложении соответственно.
Что нового в последней версии 2.0
Updated the app to be compatible with latest android devices.
Информация Motor Control Circuits APK
Старые Версии Motor Control Circuits
Motor Control Circuits 2.0
Motor Control Circuits 1.6
Motor Control Circuits 1.4
Motor Control Circuits 1.3.0
Супер Быстрая и Безопасная Загрузка через Приложение APKPure
Один клик для установки XAPK/APK файлов на Android!







