Motor Control Circuits
10.0
1 Reseñas
12.2 MB
Tamaño de archivo
Everyone
Android 6.0+
Android OS
Acerca del Motor Control Circuits
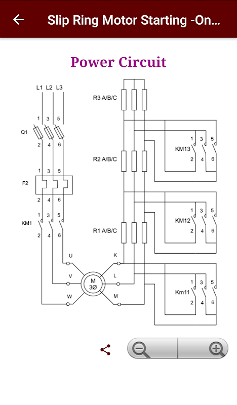
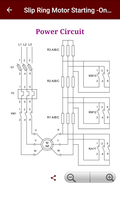
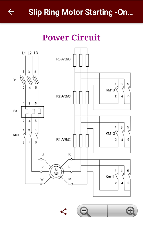
Circuitos de control y potencia para todos los métodos de arranque.
Métodos de arranque del motor es una aplicación móvil dedicada a las personas en el campo de las tecnologías eléctricas para ayudarles a entender los diversos métodos utilizan para el arranque de motores de inducción.
Para utilizar esta aplicación, se recomienda una tecnología básica conocimientos eléctricos.
Esta aplicación está estructurado en tres pestañas separadas (Todos los circuitos, los símbolos de una sola fase, tres símbolos de fase)
La pestaña circuito Todo que contiene una vista de lista detallada de los diversos circuitos de arranque con explicativa para cada método.
Las otras dos pestañas contiene una lista de una sola fase y de tres fases símbolo de todos los dispositivos en la UE y de los EEUU / CAN estándares utilizados en la aplicación respectivamente.
Novedades más recientes 2.0
Updated the app to be compatible with latest android devices.
Información de Motor Control Circuits APK
Versiones Antiguas de Motor Control Circuits
Motor Control Circuits 2.0
Motor Control Circuits 1.6
Motor Control Circuits 1.4
Motor Control Circuits 1.3.0
Descarga rápida y segura a través de APKPure App
¡Un clic para instalar archivos XAPK/APK en Android!







