Motor Control Circuits
10.0
1 جائزے
12.2 MB
فائل سائز
Everyone
Android 6.0+
Android OS
About Motor Control Circuits
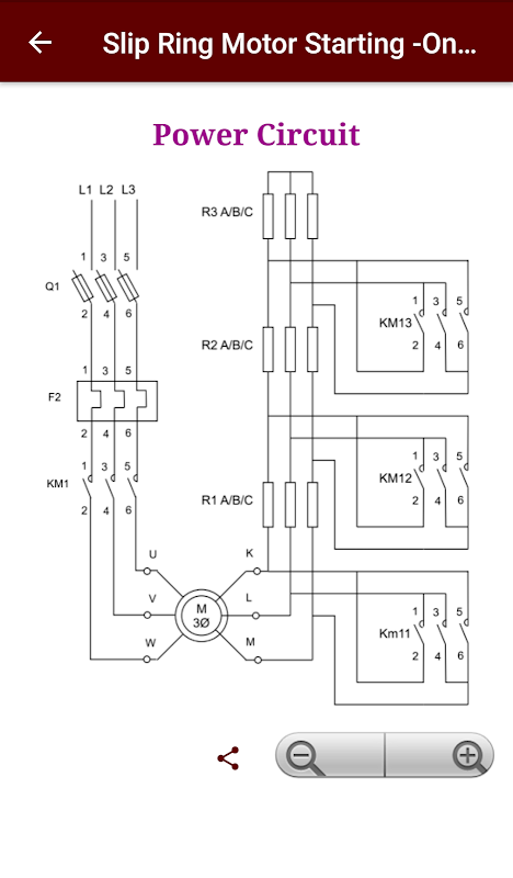
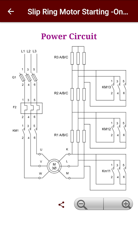
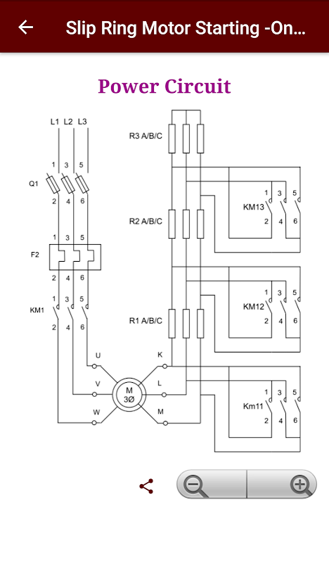
Control and power circuits for all starting methods.
Motor starting methods is a mobile application dedicated to individuals in the field of electrical technologies to help them understand the various methods use for starting induction motors.
To use this application, a basic knowledge electrical technology is recommended.
This application is structured in to three separate tabs (All circuits, single phase symbols, three phase symbols)
The All circuit tab which contains a list detail view of various starting circuits with explanatory for each method.
The other two tabs contains a list of single phase and three phase symbol of all devices in both EU and US/CAN standards used in the application respectively.
What's new in the latest 2.0
Updated the app to be compatible with latest android devices.
Motor Control Circuits APK معلومات
کے پرانے ورژن Motor Control Circuits
Motor Control Circuits 2.0
Motor Control Circuits 1.6
Motor Control Circuits 1.4
Motor Control Circuits 1.3.0
APKPure ایپکےذریعےانتہائی تیزاورمحفوظڈاؤنلوڈنگ
Android پر XAPK/APK فائلیںانسٹالکرنےکےلیےایککلککریں!







