Motor Control Circuits
10.0
1 Opinie
12.2 MB
Rozmiar Pliku
Everyone
Android 6.0+
Android OS
O Motor Control Circuits
Obwody sterowania i zasilania dla wszystkich metod startu.
Silnik metod począwszy to mobilna aplikacja dedykowana dla osób fizycznych w dziedzinie technologii elektrycznych, aby pomóc im zrozumieć różne metody użyć do uruchamiania silników indukcyjnych.
Aby korzystać z tej aplikacji, zalecana jest podstawowa technologia wiedza elektryczny.
Wniosek ten jest skonstruowany w trzech odrębnych klapek (wszystkie obwody, symbole jednofazowych trzy symbole fazy)
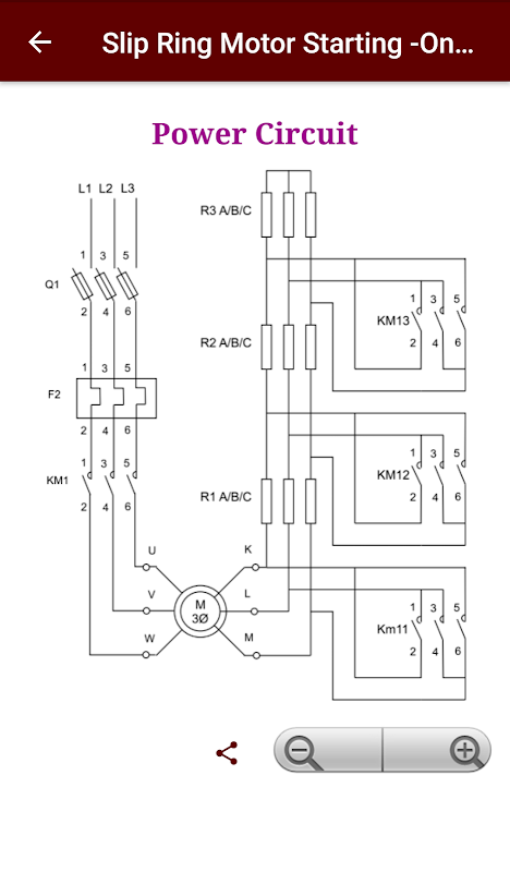
Karta Wszystkie obwód, który zawiera widok lista szczegółowości poszczególnych obwodów wyjściowych z wyjaśniające dla każdej metody.
Pozostałe dwie zakładki zawiera listę jednofazowe i trójfazowe symbolem wszystkich urządzeń, zarówno w UE, jak i USA / CAN standardy wykorzystywane w aplikacji odpowiednio.
What's new in the latest 2.0
Updated the app to be compatible with latest android devices.
Informacje Motor Control Circuits APK
Stare wersje Motor Control Circuits
Motor Control Circuits 2.0
Motor Control Circuits 1.6
Motor Control Circuits 1.4
Motor Control Circuits 1.3.0
Superszybkie i bezpieczne pobieranie za pośrednictwem aplikacji APKPure
Jedno kliknięcie, aby zainstalować pliki XAPK/APK na Androidzie!







