Motor Control Circuits
10.0
1 Recensioni
12.2 MB
Dimensione
Everyone
Android 6.0+
Android OS
Informazioni su Motor Control Circuits
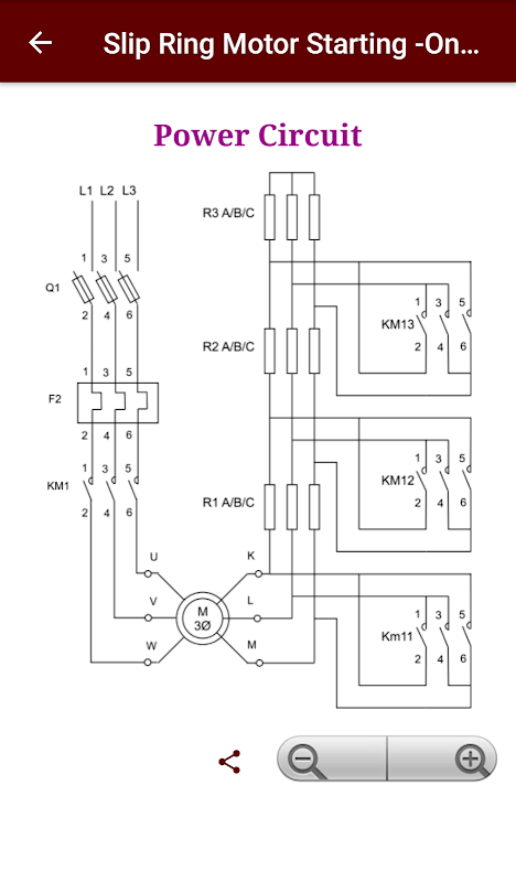
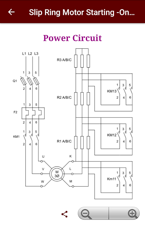
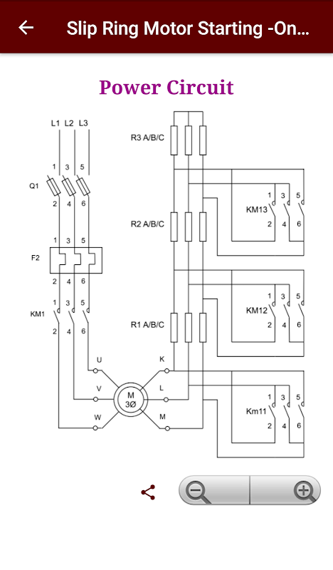
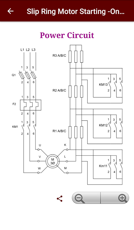
I circuiti di controllo e di potenza per tutti i metodi di partenza.
Motorino di avviamento metodi è un'applicazione mobile dedicata agli individui nel campo delle tecnologie elettriche per aiutare a comprendere i vari metodi utilizzano per l'avviamento di motori asincroni.
Per utilizzare questa applicazione, si raccomanda una tecnologia di base conoscenza elettrica.
Questa applicazione è strutturata in tre schede separate (Tutti i circuiti, simboli monofase, tre simboli di fase)
La scheda circuitale Tutto che contiene una vista elenco dettaglio di vari circuiti di partenza con esplicativo per ciascun metodo.
Le altre due schede contiene un elenco di monofase e trifase simbolo di tutti i dispositivi sia in UE e USA / CAN standard utilizzato nell'applicazione, rispettivamente.
What's new in the latest 2.0
Updated the app to be compatible with latest android devices.
Informazioni sull'APK Motor Control Circuits
Vecchie versioni di Motor Control Circuits
Motor Control Circuits 2.0
Motor Control Circuits 1.6
Motor Control Circuits 1.4
Motor Control Circuits 1.3.0
Download super veloce e sicuro tramite l'app APKPure
Basta un clic per installare i file XAPK/APK su Android!







