Motor Control Circuits
10.0
1 Ulasan
12.2 MB
Saiz Fail
Everyone
Android 6.0+
Android OS
Mengenai Motor Control Circuits
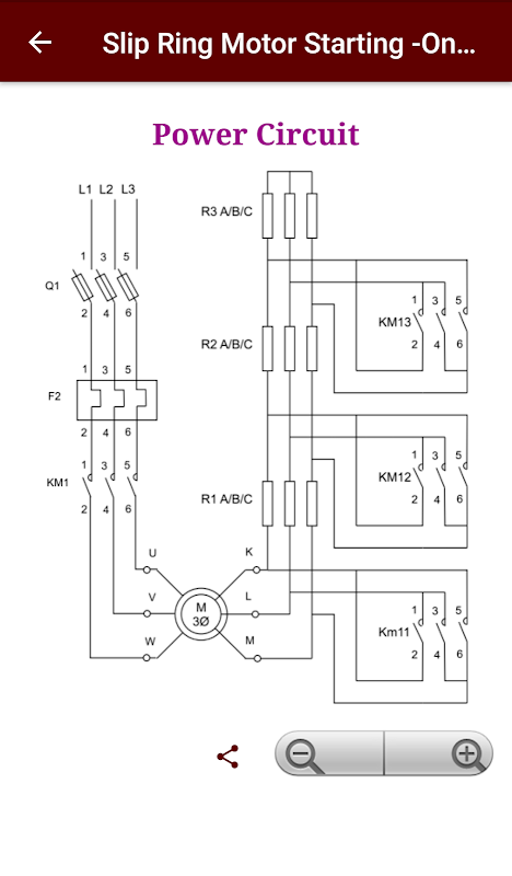
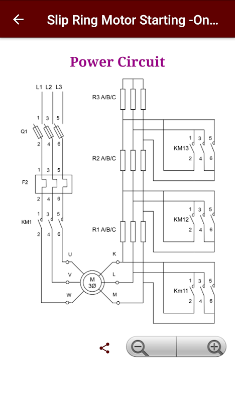
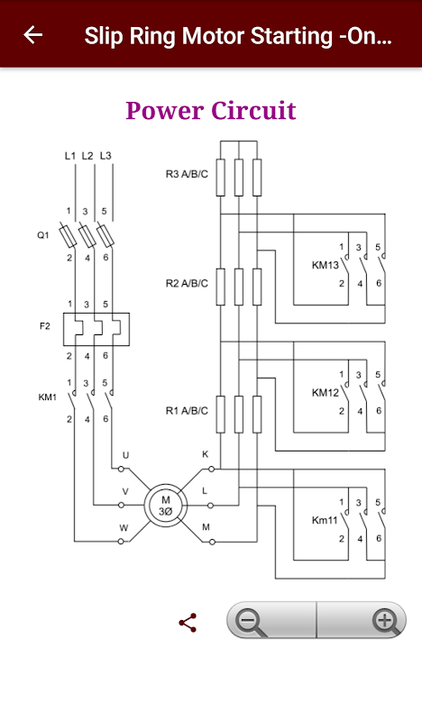
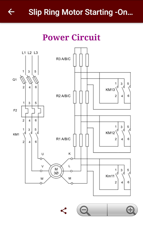
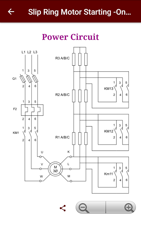
litar kawalan dan kuasa untuk semua kaedah bermula.
Motor bermula kaedah adalah aplikasi mudah alih khusus kepada individu dalam bidang teknologi elektrik untuk membantu mereka memahami pelbagai kaedah digunakan untuk memulakan motor induksi.
Untuk menggunakan aplikasi ini, teknologi pengetahuan asas elektrik adalah disyorkan.
Permohonan ini distrukturkan kepada tiga tab berasingan (Semua litar, simbol fasa, tiga simbol fasa)
Tab Semua litar yang mengandungi paparan senarai terperinci daripada pelbagai litar permulaan dengan penerangan untuk setiap kaedah.
Kedua-dua tab lain mengandungi senarai fasa tunggal dan tiga fasa simbol semua peranti dalam kedua-dua EU dan US / BOLEH piawaian yang digunakan dalam permohonan itu masing-masing.
What's new in the latest 2.0
Updated the app to be compatible with latest android devices.
Maklumat APK Motor Control Circuits
Versi lama Motor Control Circuits
Motor Control Circuits 2.0
Motor Control Circuits 1.6
Motor Control Circuits 1.4
Motor Control Circuits 1.3.0
Muat Turun Super Pantas dan Selamat melalui Apl APKPure
Satu klik untuk memasang fail XAPK/APK pada Android!







