Motor Control Circuits
10.0
1 समीक्षा
20.8 MB
फाइल का आकार
Everyone
Android 6.0+
Android OS
Motor Control Circuits के बारे में
सब शुरू करने के तरीकों के लिए नियंत्रण और बिजली सर्किट।
तरीकों शुरू कर मोटर विद्युत प्रौद्योगिकी के क्षेत्र में व्यक्तियों के लिए समर्पित उन्हें समझने के लिए विभिन्न तरीकों प्रेरण मोटर्स शुरू करने के लिए प्रयोग करने में मदद करने के लिए एक मोबाइल अनुप्रयोग है।
इस अनुप्रयोग का उपयोग करने के लिए, एक बुनियादी ज्ञान विद्युत प्रौद्योगिकी की सिफारिश की है।
इस एप्लिकेशन के तीन अलग-अलग टैब के लिए में संरचित है (सभी सर्किट, एकल चरण प्रतीकों, तीन चरण प्रतीक)
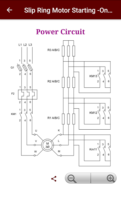
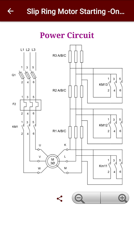
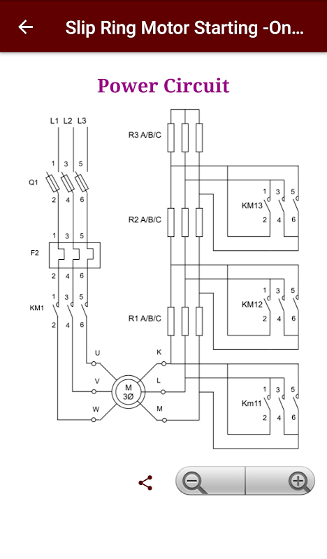
सभी सर्किट टैब जो प्रत्येक विधि के लिए व्याख्यात्मक के साथ विभिन्न प्रारंभिक सर्किट की एक सूची विवरण दृश्य शामिल हैं।
अन्य दो टैब एकल चरण और दोनों यूरोपीय संघ और अमेरिका में सभी उपकरणों के तीन चरण प्रतीक की एक सूची है / मानकों क्रमशः आवेदन में इस्तेमाल कर सकते हैं।
What's new in the latest 2.0
Updated the app to be compatible with latest android devices.
Motor Control Circuits APK जानकारी
Motor Control Circuits के पुराने संस्करण
Motor Control Circuits 2.0
Motor Control Circuits 1.6
Motor Control Circuits 1.4
Motor Control Circuits 1.3.0
APKPure ऐप के माध्यम से सुपर तेज़ और सुरक्षित डाउनलोडिंग
एंड्रॉइड पर XAPK/APK फ़ाइलें इंस्टॉल करने के लिए एक-क्लिक करें!







